lm358是雙運算放大器。內部包括有兩個獨立的、高增益、內部頻率補償的運算放大器,適合于電源電壓范圍很寬的單電源使用,也適用于雙電源工作模式,在推薦的工作條件下,電源電流與電源電壓無關。它的使用范圍包括傳感放大器、直流增益模塊和其他所有可用單電源供電的使用運算放大器的場合。
下面介紹LM358的應用電路:聲控延時開關電路。

電路功能
聲控延時開關電路能通過聲音來控制電氣設備的開或關,還有延時功能。
電路組成

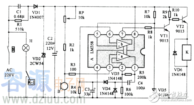
用LM358制作的聲控延時開關電路如圖所示,主要由電源電路、聲音信號拾取電路、音頻信號處理電路、驅動電路、控制電路等組成。
電源電路由220V電源、開關S、電阻器R1、降壓電容器C1、整流二極管VD1、穩壓二極管VD2、濾波電容器C2組成。
聲音信號拾取電路由可調電位器RP,電阻器RI、話簡B組成。
音頻信號處理電路由LM358、電阻器R4~R7.電容器C3和C4、二極管VD3~VD5組成。
驅動電路由電阻器R8~R9、三極管V和VT2組成。
控制電路由電磁繼電器K、二極管VD6組成。
工作原理

LM358內部結構圖
在用LM358制作的聲控延時開關電路接通220V交流電源電壓后,220V交流電壓經降壓電容器C1降壓,整流二極管VDI整流,穩壓二極管VD2穩壓。濾波電容器C2濾波后,在C2上取得上正下負約6V的低壓直流電源,供以LM358為核心的聲控開關電路使用。
在圖中,LM358內部運放a被設計為一個放大器,運放b被設計為一個電壓比較器。當聲控延時開關處于無聲響環境時,話筒B處于靜止工作狀態,集成電路LM358的3腳無音頻信號(交流信號)輸人,不能觸發LM358內部運算放大器a工作,LM358的1腳無交流信號輸出,也無信號經電容器C3、二極管VD4送到LM358的6腳,電壓比較器b的反向輸入端便經電阻器R4接地線,偏置為低電壓,而電壓比較器b的同向輸人端就由電阻器R7、二極管VD5偏置為0.7V,于是控制LM358C的7腳輸出高電壓。經電阻R8給三極管VT1加正向偏置電壓,使VT1處于飽和導通狀態,三極管VT2因無偏置電壓而截止,電磁繼電器K不動作,其中觸點開關K-1斷開,燈泡H不亮。
當有響聲時,話筒B便將聲音信號轉換為音頻電信號,經R1送到集成電路LM358的3腳,進人運算放大器a的正向輸入端,經運算放大器a放大后,從a輸出端LM358的1腳輸出音頻交流信號,再經C4、VD3、VD4、C3組成的倍壓整流電路后,變成高電壓信號。由LM358C的6腳送到電壓比較器b的反向輸人端。由于R7、VD5分壓通過LM358C的5腳給電壓比較器b的同向輸入端提供的偏置電壓只有0.7V,就使得比較放大器b的輸出端通過LM358的7腳輸出低電壓,此時的三極管V因無偏置電壓而截止,三極管VT2則由于電阻器R9、R10正偏置而導通電流,電磁繼電器K得電使其中的開關K-2吸合,于是燈泡H點亮。
另外,適當選擇電容器C3和電阻器R4的值,可使LM358的6腳輸入端的高電壓保持一段時間,即可以控制延長燈泡點亮的時間。電容器C3的容量越大,電阻器R4的阻值越大,延時時間也就越長。
若將該聲控延時開關安裝于樓梯,則可實現人走完樓梯后自動關燈。
電路元件選擇

在制作圖中聲控延時開關時,A選用LM358型雙運算放大集成電路,可與NE532、μPC358C、μPC1251、TA75358P、HA17358、HA17358、GL358、AN1358S、AN6532、MB47358、LA6358、M5223、BA10358等型號集成電路直接代換使用。VI1、VT2選用9013型硅NPN三極管。VD1選用反向耐壓為1000V的1N4007型硅整流二極管;VD2選用穩壓值為6V的2CW54型穩壓二極管;VD3~VD6均可選用1N4148型硅開關二極管。容源電子網www.zskn.com.cn
R1選用RJ-1W型金屬膜電阻器;R2~R10均選用RJ-1/8W金屬膜電阻器。RP選用WH5型小型合成碳膜可調電位器。C1要求選用CBB-630V聚丙烯電容器,C2、C3、C4均選用CD11-16電解電容器。
B選用CRZ2-113F型駐極體電容話簡。K選用4098或JZC-22F型工作電壓為6V的小型電磁繼電器。
后期調試
制作完圖中的聲控延時開關后,要試驗性地調整可調電位器RP,調整方法為:在普通聲強的情況下。該開關不動作;在有較響的聲音時,使聲控延時開關能夠起控。反復調整使兩種情況兼顧即可。
本文地址:http://www.zskn.com.cn/dianlutu/15413224442389.shtml
本文標簽:
猜你感興趣:
可編程展頻振蕩器 YSO171PS系列
展頻晶振(Spread Spectrum Crystal Oscillator,簡稱SSXO)應運而生。展頻晶振是一種特殊類型的晶體振蕩器,主要依托于擴展頻譜技術。這項技術在抗干擾通信中有著廣泛的應用
選擇石英晶振時如何逐步確定參數和類型
常見的設備頻率參數都在10MHZ到100MHZ之間,還有要確定下是否使用到低頻晶體等。確定晶振參數時要考慮到具體的應用需求,同時核對晶振封裝上的參數標注,確保購買的晶振參數符合我們的要求。
差分晶振在實際應用中有哪些優勢
目前,差分晶振已應用于衛星、火箭等領域。可在通信、導航、汽車、航空航天、國防、工業、電信、消費市場、、固定通信、消費電子、汽車電子、物聯網、手機、對講機、GPS/北斗定位器、汽車電子系統、倒車雷達、小基站、LTE、RFID、激光測距儀、筆記本、平板電腦、數碼套群通信系統、儀器儀表等諸多領域推廣應用。
高精準360°全景環視機器人 穩定的寬電壓有源晶振 YSO110TR,實現智能機器人應用
YSO110TR采用主流封裝尺寸3.2*2.5mm,供應穩定,性價比高,使其在智能機器人的集成和布局上更加便捷。同時,它具備寬電壓范圍1.8V-3.3V
如何在有源晶振十大品牌內按需選擇
在挑選和購買有源晶振時自然要重視品牌的選擇,因此不少用戶都是在有源晶振十大品牌內對比和挑選。
選晶振時該如何判斷品質好壞
晶振作為重要的電子元器件芯片在很多方面都有應用,當批量購買晶振時自然不能只關注其價格,尤其是在對比預算內的晶振產品時要重視其品質。
溫度補償晶振也是石英晶體振蕩器之一,簡稱“溫補晶振”
TCXO溫度補償石英晶體振蕩器是一種通過附加的溫度補償電路來減小因環境溫度變化而引起的振蕩頻率變化的石英晶體振蕩器。
高精度保障 智能機器人的“心臟”:寬電壓有源晶振YSO110TR
寬電壓有源晶振 YSO110TR的優勢在于其高精度和穩定性。擁有8MHz的頻率輸出,全溫范圍內總頻差僅為±30PPM,YSO110TR保證了機器人系統的高精度控制和穩定運行。無論在-40~+85℃的嚴苛溫度環境下,晶振都能保持穩定的性能,為智能機器人的高精度運動和計算提供可靠的時鐘信號。
分享 | 可編程晶振芯片幾個知識點
什么是可編程晶振?可編程晶振多為有源晶振,由兩個芯片組成;一個是全硅MEMS諧振器,一個是具有溫補功能的芯片,可以啟動電路鎖相環CMOS。它采用標準化的半導體芯片MCM封裝。可以采用全自動標準半導體制造工藝
溫補晶振的5種分類大家要知道
對于溫補晶振分類有溫度補償晶體振蕩器、壓控晶體振蕩器、恒溫晶體振蕩器和數字補償晶體振蕩器,這些都是溫補晶振分類,尤其是每一種都有自己獨特的性能。
手機車載互聯-有源晶振YSO120TK穩定連接未來
YSO120TK采用3225 4P主流封裝尺寸,小型化的設計使其在汽車內部布局更加靈活。無論是嵌入式控制器還是車載通信模塊,YSO120TK都能為其提供可靠的時鐘源,為手機車載互聯的順暢體驗提供強有力的支持。
溫補晶振有什么特性呢
其實對于溫補晶振特點都是需要了解其特性的。溫度補償晶體振蕩器是一種石英晶體振蕩器,它通過加入溫度補償電路來減小環境溫度變化引起的振蕩頻率的變化。具有溫度補償功能的石英晶體振蕩器可分為三類:直接補償、間接補償和數字補償。
高頻靈活定制-存儲與計算 可編程差分振蕩器YSO210PR應用于服務器與大數據
可編程差分振蕩器 YSO210PR在機器人的智能視覺控制、工業屏、望遠鏡等領域具有顯著優勢。其高精度、穩定性和靈活的定制特性使得YSO210PR成為了機器人應用中不可或缺的元器件,為機器人技術的發展和應用提供了強有力的支持。
溫補晶振是干什么的?這些知識要知道
溫補晶振在無線傳輸的應用中,無線透明傳輸模塊以體積小、功耗低為重要發展指標。在正常工作條件下,常見的晶振頻率的精度可以達到百萬分之五十,而溫補晶振的精度更高。溫度補償晶振由恒溫槽控制電路和振蕩電路組成。通常用熱敏電阻“橋”組成的差分串聯放大器來實現溫度控制。
智能終端通信利器:低抖動YSO690PR可編程天線完美融合
在通信科技的推動下,智能終端天線和低抖動晶振不斷創新,將引領通信產業進入新的時代。YSO690PR系列作為高性能智能終端通信利器,將為各類智能終端設備提供更加穩定和高效的通信支持,推動科技的蓬勃發展。無論是日常生活還是工業應用,這些優秀的技術將為人們帶來更加便捷、智能的通信體驗。
使用差分晶振有什么好處呢?
其實對于差分晶振的好處有很多,比如差分晶振可以外部電磁干擾(EMI)具有很高的免疫力。一個干擾源對差分信號的每一端的影響程度幾乎相同。由于電壓差決定了信號的值,兩條導線上的任何干擾都將被忽略。除了較不敏感的干擾之外,差分信號比單端信號產生更少的EMI,這是在工業生產中比較常見的。
YXC有源晶振為功放音響提供時鐘方案
在功放音響設備中,晶振作為關鍵的元件,對于電路的穩定性和性能發揮起著至關重要的作用。然而,不正確使用晶振可能導致一系列問題,如播放雜音等,因此對其進行優化十分重要。
穩定性與高性能的晶體諧振器YSX321SL無源晶振,清晰的可視門鈴體驗
YSX321SL是一款3225、4P貼片晶振和晶體諧振器,采用先進的陶瓷焊縫工藝制作,確保了產品的高精度、高頻率穩定性和可靠性。無源晶振具有低功耗和低抖動的特點,而貼片式金屬封裝則進一步增強了其性能表現。這種封裝還降低了電磁干擾(EMI)對系統的影響,保證了信號傳輸的穩定性和可靠性。
YXC晶振解決方案AI服務器中的應用
目前,應用在AI服務器中的振蕩器主要為差分晶振。主要是因為,相比單端輸出振蕩器,差分晶振可以產生高質量的差分時鐘信號,對共模干擾和噪聲具有較強的抵抗能力,能提供大幅度和高頻率的時鐘信號,適合驅動長線路,這些特點很好地滿足AI服務器對穩定高性能運行的要求,所以AI服務器選用差分晶振作為其基準時鐘信號源是十分合理的選擇。
ACM6252 單相正弦波/方波(BLDC)直流無刷電機驅動IC解決方案
深圳市永阜康科技有限公司現在大力推廣一顆單相正弦波/方波直流無刷電機驅動IC-ACM6252. 工作電壓3.1V-18V、工作電流1.2A, 可覆蓋大多數中小功率(<1A)的風機、泵機類應用。