1、單個TL431恒流電路
TL431驅動LED恒流控制電路方案
如上圖,即是利用單個TL431恒流的示意圖
原理:此電路非常簡單" />
我們來談談比較流行的TL431的幾種恒流方式。
1、單個TL431恒流電路

TL431驅動LED恒流控制電路方案
如上圖,即是利用單個TL431恒流的示意圖
原理:此電路非常簡單,利用了431的2.495V的基準來做恒流,同樣限制了LED上面的壓降,但優點與缺點同樣明顯。
優點:電路簡單,元器件少,成本低,因為TL431的基準電壓精度高,R12,T13只要采高精度電阻,恒流精度比較高
缺點:由于TL431是2.5V基準,故恒流取樣電路的損耗極大,不適合做輸出電流過大的電源
此電路的致命缺陷是不能空載,故不適合做外置式的LED電源。
這個電路的恒流點計算相信大家都知道:ID=2.495/(R12//R13)
取樣電阻R12,R13的功率為PR=2.495*2.495/R13),對于小功率電源來說,這個功率的損耗相當可觀,所以不建議采用此電路做電流大于200mA的產品

2、單個TL431恒流改進型電路
如上圖,即是利用單個TL431恒流的改進型示意圖
原理:此電路同樣是利用了TL431的2.495V的基準來做恒流,跟上面的電路不同點在于減少了電流取樣電路的電壓,只要合計設計R12,R13,R14的值,可以限制LED上面的壓降
優點:電路簡單,元器件少,成本低,跟上面電路相比,顯著降低了取樣電阻的功耗,恒流精度很高,克服了上面的電路不能空載的致命缺陷,當有個別LED擊穿時,可以自動調整輸出電壓
缺點:當輸出空載時,輸出電壓會有上升,上升幅度由電流取樣電路電阻與R12,R13的比值決定。
其實這個電路的真正缺點是:當單個LED的壓降一致性不高時,恒流點也會相應發生變化。
比如最常見的12串的LED燈,最低壓降為35.5V左右,最高回到37.4V左右(個人的經驗,當然不同廠家的情況會不一樣),那么恒流精度就會相差到5%-8%
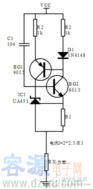
3、兩個TL431恒流電路

這個電路還有個最大特點是:在某個范圍內可以精確的恒壓恒流。
4、3個TL431恒流電路

其實這個電路是在圖3的電路基礎上增加了一個恒壓電路而已。
5、由TL431組成的高精度的恒流源

6、二個TL431組成的LED恒流電路圖及原理分析
此電路的特點:
1.輸出端無過壓,開路保護,當輸出電壓過高的時候容易燒壞TL431及光耦,因此電路只能適合輸出電壓不超過36V的場合,(這是431的Vak電壓決定的,如果在光耦上面串穩壓管可以提高輸出電壓范圍)
2.電路的精度由U2與RCS保證,由于TL431的精度是比較高的。RCS的選擇基本上決定了精度。
3.D4148可以用其他二極管來代替,這個二極管還有一個比較有意思的作用,可以作為溫度控制,利用二極管Vf的負溫度系數,當溫度過高的時候,能夠自動限流,相當于此時RCS上的電壓由二極管鉗位了,不過一般要到這種程度,溫度得相當高了。
4.R5R4可以自己調整,提高R5的話,Rcs就會選得越小,這樣功耗也可以小,但實際上電阻匹配也是件相當麻煩的事,所以必須折衷考慮!
5.此電路中,損耗集中在RCS與R5上,絕大部分集中在RCS上,損耗由于電壓基準相當小了(為零點幾伏),故最大損耗為Rcs*Iout*Iout,正因為如此,此電路的電流大小不要超過1A。

先對此圖各個電路元件作一分析:
1.電源整流經Cout濾波后,接在LED燈珠上。Css為U1TL431提供一個軟啟動電路,在此分析時可以不管。
2.圖中對環路補償作了簡化,只利用了一個C1來調環路增益,可以滿足一般性的要求,如果要更進一步的要求,可以增加環路補償的電路,可以參考常規的電路環路補償設計,此處考慮到本帖的性質,不做過多評論。
3.二極管D4148用來提供過流或是短路保護,當電流突然過大時,二極管導通,強制電路電流不超過Vf/Rcs(Vf為4148的管壓降),從而反饋給原邊,如果考慮成本,此二極管可以不要。
4.電路中U1在電流小于額定電流,也即沒達過流保護時,是不動作的,電路處于開環工作狀態。A點的電壓通過U2的作用,鉗位在2.5V左右。容-源-電-子-網-為你提供技術支持
本文地址:http://www.zskn.com.cn/dianlutu/15413224502393.shtml
本文標簽:
猜你感興趣:
液晶顯示驅動芯片VK1072B/C/D液晶驅動IC原廠/適用醫用
關鍵詞: 所屬欄目:開關電源電路圖
單路水位檢測芯片VK36W1D單鍵觸控感應芯片
產品特點:VK36W1D具有1個觸摸檢測通道,可用來檢測水從無到有和水從有到無的動作。該芯片具有較高的集成度,僅需極少的外部組件便可實現觸摸按鍵的檢測。 提供了1路開漏輸
關鍵詞: 所屬欄目:元器件知識
三種解決方案為LED照明散熱設計添磚加瓦
關鍵詞: 所屬欄目:led
LED照明燈具散熱,TIR導熱石墨片輕松解決
對于LED來說,散熱系統是必不可少的,所以一個好的導熱介質是決定LED照明好壞的關鍵之一!兆科提供導熱石墨片可使用在LED芯片的背面,另一面貼近散熱片或LED外殼,通過導熱石墨片的高熱傳導將熱量迅速傳導至LED外殼,通過空氣的流動達到導熱散熱效果。
關鍵詞: 所屬欄目:led
LED調光器是怎么調光的?
關鍵詞: 所屬欄目:開關電源電路圖
大功率LED燈散熱為什么離不開導熱硅脂?
為什么要涂覆一層導熱硅脂來提高LED燈具的散熱性能呢?因為LED燈具其主要的散熱方式是通過LED散熱器散熱出去的,而LED芯片所產生的熱量也是一樣,LED芯片首先會把熱量傳導到鋁基板上,再由鋁基板傳導至鋁散熱器上,不過鋁基板往往是通過螺釘的固定在鋁散熱器上的,用這種方法固定起到的結構往往在它們之間形成空氣隙,而空氣的熱阻是超大的,比其他熱阻都要大幾十倍,所以須涂上導熱硅脂來填充空隙以加大接觸面的面積,從而提高熱流通量,減小熱阻,改善LED燈具的整體散熱性能。
關鍵詞: 所屬欄目:led
VK1640電磁爐/冰箱LED 高壓驅動,數碼管LED顯示屏驅動
VK1640是一種數碼管或點陣LED驅動控制專用芯片,內部集成有數據鎖存器、LED 驅動等電路。SEG腳接LED陽極,GRID腳接LED陰極,可支持8SEGx16GRID的點陣LED顯示。適用于小型LED顯示屏驅動。采用SOP28的封裝形式。
關鍵詞: 所屬欄目:元器件知識
LED導熱雙面膠與其他導熱材料相比有哪些優勢呢?
導熱雙面膠是由有機硅材料添加導熱陶瓷粉體和一些玻璃纖維,通過特別工藝生產形成的一款擁有散熱功能的粘接材料。跟導熱石墨的質料昂貴、工藝復雜相比較,LED導熱雙面膠的性價比更高,所以在一般電子元件上就會被普遍使用。和一般的導熱絕緣片相比較,它具備更好的柔軟性還有粘接性,可以更好的貼緊兩界面。
關鍵詞: 所屬欄目:led
導熱雙面膠應用在LED面板燈的操作方法與步驟
導熱雙面膠具有優異的導熱性能、絕緣、兩面具有強粘性,應用于LED燈具上代替了用螺絲固定光源的方式。由于其相比用螺絲固定的方式更為便利,因此廣泛應用于LED面板燈上。
關鍵詞: 所屬欄目:led
LED調光電源和LED調光器有什么區別?
關鍵詞: 所屬欄目:開關電源電路圖
導熱界面材料在LED照明散熱體系的重要性
導熱硅膠片有助于LED燈具及照明制造商更迅速、準確地在形狀復雜的基材上涂布厚度可控的導熱有機硅化合物,同時確保優良的導熱性能、降低生產成本。
關鍵詞: 所屬欄目:led
LED全彩簡易控制器怎么接線?
LED全彩簡易控制器:又稱LED全彩迷你控制器,可以控制器LED全彩燈,變換不同的顯示效果。T1-1000MINI LED全彩控制器:對比普通按鍵式的控制器,增加了藍牙連接功能,可實現
關鍵詞: 所屬欄目:開關電源電路圖
LED調光電源和普通電源有什么區別?
關鍵詞: 所屬欄目:開關電源電路圖
大功率LED調光器如何使用?
關鍵詞: 所屬欄目:開關電源電路圖
LED調光電源怎么接線?
關鍵詞: 所屬欄目:開關電源電路圖
LED調光電源怎么接線?
關鍵詞: 所屬欄目:開關電源電路圖
LED燈條調光器怎么用?
LED燈條調光器是改變LED燈條中光源的光通量、調節照度水平的電器?梢哉{暗LED燈條的亮度,也可以調整LED燈條亮度不均。LED調光器目前市場上新型的LED燈條調光器為藍牙調光
關鍵詞: 所屬欄目:開關電源電路圖
LED節能燈散熱好幫手——導熱雙面膠
兆科電子導熱雙面膠完全符合LED節能燈散熱需求,在LED燈的PCB板與散熱鋁之間貼上導熱雙面膠,用力按即可,導熱效果比其它導熱材料效果顯著,更節約成本。
關鍵詞: 所屬欄目:led
怎么調節LED燈箱的亮度?
調節LED燈箱的亮度:1.燈箱亮度比較亮,需要進行調暗。2.多個燈箱亮度不均,需要調節到統一的亮度。無論是燈箱亮度調暗還是多個燈箱亮度調整統一,使用LED調光器就可以了,
關鍵詞: 所屬欄目:開關電源電路圖
LED調光器怎么接線?
LED調光器通過改變照明裝置中光源的光通量、調節照度水平,已到達整燈光不同的亮度的目的。目前市場上流行的調光器分為兩種:手動旋鈕式調光器和藍牙調光器。LED調光器手動
關鍵詞: 所屬欄目:開關電源電路圖