" />
引言
目前中大功率拉桿音箱主要采用12V鉛酸電池為供電電源,在電源直供的時候,一般的功放芯片輸出功率在20W左右(喇叭為4歐、THD10%)。超過50W的功率現階段市場上主要采用升壓芯片+TPA3116的組合解決方案。
隨著競爭的加劇,音響廠家對于成本的控制、國產替代的需求越來越迫切。深圳市永阜康科技有限公司推出基于IU8689+IU5706、單聲道100W/立體聲2x60W同步升壓+功放IC大功率拉桿音箱應用組合方案,升壓效率高達96%。在提供更大功率輸出的前提下,整套方案組合極具性價比。
IU8689+IU5706功率輸出典型指標
單聲道:108W/28V/4歐/THD10%

立體聲:2*75W/24V/4歐/THD10%

方案說明
1、采用IU5706高效同步升壓控制器。此芯片4.5V-24V輸入電壓(涵蓋2-5節鋰電、鉛酸電池作為電源的應用),輸出電壓最高33V,并且能夠為負載提供8A持續電流,效率高達96%,采用EQA-16封裝。
IU5706腳位定義圖以及管腳說明


2、采用IU8689大功率D類音頻功放IC,工作電壓4.5V-28V,25V提供2x70W/4歐 ( THD+N=1%)持續功率輸出;28V提供100W/4歐 ( THD+N=10%)持續功率輸出;低Rdson(相比TPA3116更。WC音質有足夠的下潛度;采用EQB-28封裝(散熱片在背部,支持外接散熱器)。
IU8689腳位定義圖以及管腳說明


3、IU5706支持12V升壓至24V,給兩顆IU8689供電,輸出4x65W/4歐 ( THD+N=1%);IU8689主從模式可實現多顆芯片無限級聯功率輸出,此應用非常適合車載音頻后裝市場。
IU8689主從模式應用圖

應用信息
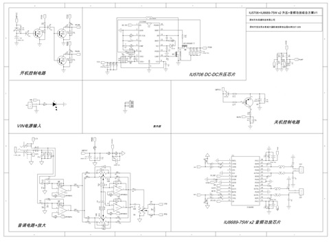
1. IU8689+IU5706 DEMO板原理圖

2. IU8689+IU5706 DEMO板頂層設計圖
3. IU8689+IU5706 DEMO板底層設計圖

4. IU8689+IU5706 DEMO板貼片圖

5. IU8689+IU5706 DEMO板物料清單
6. IU8689+IU5706 DEMO板實物圖
非常感謝用戶yongfukang 的投稿!
本文地址:http://www.zskn.com.cn/gongfangdianlu/c/16717820804730.shtml
本文標簽:
猜你感興趣:
FP6715 5V、2.5A、550 KHz高效低波紋同步升壓轉換器
關鍵詞: 所屬欄目:元器件知識
TD8587 5V 2.1A 1.2MHz同步升壓轉換器芯片
一般說明
TD8587是一個同步整流器,固定的開關頻率(典型的1.2MHz),和電流模式的升壓調節器。該設備允許為USB設備使用小型電感器和輸出電容器。該電流模式控制方案具有快速的瞬態響應和良好的輸出電壓精度。
在輕負載下,TD8587將自動進入脈沖調頻(PFM)操作,以減少主要的開關損耗。在PFM運行期間,IC消耗非常低的靜止電流,并在整個負載范圍內保持高效率。TD8587還包括電流限制和過溫停機,以防止在輸出過載時的損壞。
TD8587有ESOP-8軟件包。
關鍵詞: 所屬欄目:集成塊資料
鋰電池、鉛酸電池供電的戶外藍牙音箱如何選擇合適的升
深圳市永阜康科技有限公司一直致力音頻領域芯片的推廣,總結市場應用痛點,現推薦一套升壓+功放IC搭配應用組合,涵蓋20-60W單雙聲道的應用。升壓芯片、功放芯片系列管腳兼容,實現同一PCB,不同功率要求無縫切換,避免重復開發工作,縮短項目周期。
關鍵詞: 所屬欄目:音頻功放電路
CS8685 雙聲道2x80W大功率D類音頻功放IC解決方案
日前,深圳市永阜康科技有限公司大力推廣一顆2x80W雙聲道大功率D類音頻功放IC-CS8685H,采用獨有的EQB-32(頂部散熱焊盤外接散熱器)封裝,強勁的驅動能力能夠保證大功率輸出,在26V電源電壓驅動2個4歐揚聲器、無需任何功率或電流限制、實現大功率高效率的音頻輸出。充分滿足條形音箱、后裝汽車音頻解決方案、大功率藍牙音箱的使用需求.
關鍵詞: 所屬欄目:音頻功放電路
PC1961同步升壓芯片直接替代PW5100
產品概述
PC1961系列產品是一款低功耗高效率、低紋波、工
作頻率高的 PFM 控制升壓 DC-DC 變換器。
PC1961 系列產品僅需要3個外部元器,即可完成低
輸入的電池電壓輸入。
用途
1-3 個千電池的電子設備數碼相機。電子詞典 LED手電簡、LED燈
血壓計、MP3、遙控玩具 無線耳機、無線鼠標鍵盤、醫療器械
防丟器、汽車防盜器、充電器 VCR、PDA 等手持電子設備
典型應用電路
.
,產品特點
最高效率:94% 最高工作頻率:300KHz 低
關鍵詞: 所屬欄目:集成塊資料
HT8513 單節鋰電供電內置動態同步升壓5W單聲道音頻功放
深圳市永阜康科技有限公司針對便攜式藍牙音箱以及4寸、6寸手提戶外音箱的應用需求,推廣一款單節鋰電池供電內置動態同步升壓5W單聲道音頻功放IC-HT8513。HT8513相比同類競品有三大優勢:一是采用高效率的同步升壓,相比非同步效率提高5%,并且外圍不需要肖特基二極管,外圍升壓采用小電感,PCB面積也更小,整機成本更低;二是動態升壓,芯片內部自動檢測輸入音頻信號大小,小信號不升壓,大信號自動升壓,極大延長鋰電池的續航時間(尤其是中小音量播放時測試,相對恒定升壓音頻功放播放時間延長15%以上);三是相比電荷
關鍵詞: 所屬欄目:音頻功放電路
HT8731 單節鋰電3.7V內置自適應動態升壓15W單聲道F類音
深圳市永阜康科技有限公司最新推廣的內置自適應動態升壓15W單聲道F類功放IC-HT8731,該芯片音質表現高音通透、低音震撼、人聲甜美,能完美實現3.7V單節鋰電供電音箱產品的性能升級迭代。
關鍵詞: 所屬欄目:音頻功放電路
CS83702 單節鋰電3.7V內置升壓18W/2歐單聲道音頻功放I
深圳市永阜康科技有限公司順應拉桿音箱以及藍牙小音箱市場音質功率升級的需求,推廣一款單節鋰電3.7V供電內置升壓單聲道音頻功放IC-CS83702。CS83702單節鋰電供電內置升壓至8.7V,驅動2歐姆負載時,能連續輸出18W功率,整體效率實測80%以上,輸入電流小于6A,其電流限制功能可調節BOOST電感的峰值電流大小,從而適配不同的鋰電池規格以及其他外圍配置。該芯片高音清脆、低音有力、人聲清晰、能明顯提升3.7V單節鋰電供電音箱產品的音質體驗。
關鍵詞: 所屬欄目:音頻功放電路
HT566 2x20W立體聲I2S數字輸入無電感閉環D類音頻功放I
深圳市永阜康科技有限公司現在推廣一顆I2S數字輸入20W立體聲無電感閉環D類音頻功放芯片HT566,適合應用于藍牙音箱、WiFi音箱、智能音箱、公交車語音播報系統等領域。
關鍵詞: 所屬欄目:音頻功放電路
單節鋰電內置升壓音頻功放IC選型推薦
深圳市永阜康科技有限公司現總結市場應用,根據功率大小的要求推出單節鋰電內置升壓音頻功放的選型推薦
關鍵詞:功放集成電路 所屬欄目:音頻功放電路
CS8330 單節鋰電3.7V內置升壓15W單聲道音頻功放IC、支
深圳市永阜康科技有限公司針對這一市場趨勢,現在推廣一顆單節鋰電3.7V內置升壓15W單聲道音頻功放IC-CS8330、支持升壓旁路模式(外部PVDD模式)外接12V適配器輸入,適合應用于智能音箱、戶外藍牙音箱等產品領域。
關鍵詞: 所屬欄目:音頻功放電路
10-20W中功率D類音頻功放IC應用設計時怎樣降低底噪聲?
如何降低這兩類音頻功放的輸出底噪聲,深圳市永阜康科技有限公司針對客戶在應用中的問題,總結以下方法可供參考:
關鍵詞: 所屬欄目:音頻功放電路
CS8611 30W+2X15W單芯片2.1聲道D類功放IC
深圳市永阜康科技有限公司現在推出CS8611的2X15W+30W單芯片2.1聲道D類音頻功放IC,能極大降低加工環節的成本,先進的EMI處理技術能極大改善對FM收音的干擾;極高的性價比加速D類功放在2.1音箱這一傳統產品形態的應用普及。
關鍵詞: 所屬欄目:音頻功放電路
LA4500功放IC電路圖
LA4500功放IC應用雙列20腳封裝;電源VCC=24V;允許功耗Pd=15W;輸出電流=2.5A;靜態電流=20mA;輸入電阻=30kΩ;輸出噪聲=0.4mV;電壓增益=48~52dB;諧波失真=0.3%~1.5%。
關鍵詞:功放集成電路 所屬欄目:音頻功放電路
功放IC介紹
無
關鍵詞: 所屬欄目:電子基礎