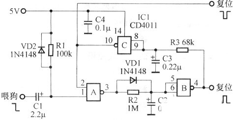
在工業控制中常使用MCS-51系列單片機,為了防止程序跑飛往往外接一個看門狗電路。看門狗電路可完成加電復位和死機復位兩種功能。成品的看門狗集成電路如MAX813L等價格一般都較高。現介紹一種由通用數字電路CD4011組成的廉價的看門狗電路。

上圖是由與非門CD4011組成的看門狗電路,圖2為有關引腳波形圖。由上圖可以看出,在不考慮1腳的喂狗信號的情況下,三個與非門A、B、C、串接成一個環路。由于VD1、R2、C2、和R3、C3兩組延時電路的作用,它們將組成一個振蕩器。平時與非門A的2腳為高電平(見后面喂狗信號引起VDI、R2、C2充放電的說明),10時刻的喂狗信號(高電平至低電平的跳變)經R1、C1微分后送到1腳,其輸出3腳變為高電平,經VDI給C2充電,C2很快充滿至5V。與非門B的輸入端5腳和6腳為高電平,輸出端4腳為低電平。在喂狗脈沖沿過去后的t1時刻,1腳恢復為高電平,3腳變為低電平,該低電平經R2給C2放電,放電速度遠遠慢于充電速度。當C2電壓由5V降到約為2.5V時與非門B的4腳將由低電平變為高電平。正常工作時在4腳變為高電平之前又有新的喂狗信號到來,3腳又變為高電平,C2又迅速充滿到5V。因此4腳一直保持為低電平,與非門C的10腳則一直保持為高電平。一旦喂狗信號丟失,4腳將在延時一段時間(t2-t0‘)后的12時刻變為高電平,此高電平即為CPU復位。
該高電平還經R3、C3延時,使與非門C的輸入端8腳和9腳在t3時刻變為高電平,輸出端10腳變為低電平。接著引起2腳為低電平,3腳為高電平,C2迅速充電。在14時刻C2電壓超過2.5V,5腳和6腳變為高電平,4腳變為低電平。C3放電,經R3、C3延時,在t5時刻8腳變為低電平,10腳恢復為高電平,3腳恢復為低電平。這樣,在沒有喂狗信號時4腳將輸出周期l00ms、寬度約5ms的正極性脈沖串復位信號。復位信號的寬度決定于R3、C3,周期決定于R2、C2,與非門C的10腳將輸出負極性脈沖串復位信號。在上電瞬間由于C2和C3的初始電壓都為零,5腳、6腳、8腳和9腳都為低電平,4腳則為高電平為CPU復位。大約5ms之后8腳和9腳變為高電平,接著10腳變為低電平,3腳高電平,C2迅速充滿,4腳變為低電平,經R3、C3延時10腳再恢復為高電平,上電復位過程結束。該電路在多種MCS-51系列單片機中使用效果良好。為了驗證該電路的可靠性,可在通電情況下將IC1的1腳對地短路,即停止喂狗信號,用示波器測量4腳和10腳的波形,即可看到如下圖所示的復位信號波形。

目前CD4011市場價約為0.6元,lN4148為0.05元,電容為0.04元,電阻為0.01元。該看門狗電路元件成本不足0.9元。看門狗集成電路MAX813L市場價約為6元,SP706S約為5元。顯然該電路的成本遠低于單片看門狗集成電路。CD4011多余的一個與非門還可以作為它用。

上圖是一個電視選臺器的實物。該電視選臺器內有開關電源、射頻放大器、頻率合成一體化電視調諧器和控制電路等。控制電路的CPU選用AT89C2O5l、存儲器AT24CO2、信號檢測使用LM567。看門狗電路使用的即是前面介紹的由CD4011組成的電路。
容-源-電-子-網-為你提供技術支持本文地址:http://www.zskn.com.cn/dianlutu/15774327103584.shtml
本文標簽:
猜你感興趣:
合并式單端A類電子管功放電路設計
如圖所示為合并式單端A類電子管功放電路圖,本電路輸出功率:8W×2輸出阻抗:4Ω、8Ω輸入靈敏度:l.4V失真系數:2%頻率響應:25Hz-20kHz-3dB。電源功耗:120W。 :
關鍵詞: 所屬欄目:音頻功放電路
集成功率放大器件或分立元件放大電路設計
圖1為一個由分立元件構成的直流化的互補對稱OCL電路。電路由差分放大級、電壓推動級和復合輸出級構成。本電路引入了直流負反饋電路,一般功放中由于存在反饋電容,限制了低頻響應,為了消除這種不利影響,只有增
關鍵詞: 所屬欄目:音頻功放電路
多媒體有源音箱電路設計
本音箱的高、寬、深分別為280mm×120mm×170mm(內部有效容積約3.4L)。板材為厚15mm的中密度板。左右聲道音箱前面板尺寸如圖所示。倒相孔設在箱體背面上方,長度為68mm,由于倒相管在音箱背面,所以擺放時音箱后
關鍵詞: 所屬欄目:音頻功放電路
HY-1應用電路設計
HY-1音樂集成電路內存一首樂曲。當觸發端受脈沖觸發后立即輸出音樂信號,樂曲程序結束時工作自行停止。當觸發端與觸發電平相連時,電路反復嗚奏,直到脫離觸發電平且正常演奏的樂曲程序結束后才自行停止。電路內
關鍵詞: 所屬欄目:音頻功放電路
NFC技術與RFID技術芯片實現雙向預付費系統的設計
有位客戶采用預付電費方案,回家后卻發現照明燈沒有亮。于是,她拿出手機并打開一個應用程序(app),向其電費賬戶中又額外增加了50美元額度。然后她將手機靠近電能監測顯示
關鍵詞: 所屬欄目:設計編程
RFID讀寫器有哪幾部分組成及原理設計方案
隨著現代信息技術和超大規模集成電路的發展,RFID技術在服務領域、貨物銷售與后勤分配、商業部門、生產企業和材料流通領域得到了越來越廣泛的應用。射頻識別技術的基本原理
關鍵詞:電路設計 所屬欄目:設計編程
音樂門鈴電路設計
CIC2851AE是目前應用較為普遍的單曲音樂IC,它采用塑料封裝單列直插式,共有9個輸出腳,缺角處為第1腳。晶體管BG在這里起音頻功效放大作用,BG最好采用集電極耗散功率大于300mW的硅NPN型三極管,如3DX201、3DG12、
關鍵詞: 所屬欄目:音頻功放電路
參數型中頻均衡器電路設計
均衡器是在電信設備中,用以校正因頻率不同而引起的衰減(即傳輸損耗)及相位差不同的網絡。能校正衰減與頻率關系的,稱為“衰減均衡器”;能校正相位差與頻率關系的稱為“相位均衡器”。在有線電視系統里經常需
關鍵詞: 所屬欄目:音頻功放電路
提高PCB設計成功率三點技巧
PCB設計過程中,如果能提前預知可能的風險,提前進行規避,PCB設計成功率會大幅度提高。很多公司評估項目的時候會有一個PCB設計一板成功率的指標。提高一板成功率關鍵就在于
關鍵詞:電路設計 所屬欄目:pcb
AD811與BUF634P功放電路功率放大電路設計
本電路應用AD811與BUF634P結成功放電路;通過電路圖可以看到是正負15V供電,效果很好。功率放大器,簡稱“功放”。很多情況下主機的額定輸出功率不能勝任帶動整個音響系統的任務,這時就要在主機和播放設備之間加裝功率放大器來補充所需的功率缺口。。
關鍵詞:功放集成電路AV放大器電路音頻放大器電路圖 所屬欄目:音頻功放電路
具有300B音色的晶體管后級功放電路設計
一臺既吸收電子管的“樂感”優勢,又具有晶體管使用方便特點的晶體機,全機主角為Q1N-MOSFETIRFP140,由于是接成單級的增益放大,故為反相輸出,輸出端是喇叭的負端,而接地點才是正端。另外有一顆P-MOSFETQ2
關鍵詞:音頻放大器電路圖 所屬欄目:音頻功放電路
便攜式麥克風前置放大電路設計
如圖所示為便攜式麥克風前置放大電路電路圖,該電路是一個低噪音的基礎上,高增益兩個階段PNP和NPN晶體管放大器,利用通過R6的直流負反饋穩定的工作條件比較準確。 :
關鍵詞: 所屬欄目:音頻功放電路
繼電器驅動保護電路設計
在開始選擇繼電器驅動的時候,習慣性選擇現有的集成芯片,比如NUD3126和NUD3124,沒有仔細想過為什么要選用它們,是否可以選擇分立的三極管或者達林頓管。這里做一些分析
關鍵詞:過流保護電路過壓保護電路短路保護電路 所屬欄目:電子器材
LED白光照明模組驅動電路設計方案
LED白光照明模組驅動電路設計方案由于當前溫室效應和能源危機的影響,使得人們對節能技術越來越關注。LED照明具有節能、壽命長等優點,LED照明技術作為新型綠色照明技術,目
關鍵詞:LEDLED電路圖 所屬欄目:led
特斯拉的快充系統充電接口電路設計(圖文)
11月份,有個朋友問我這個電路這塊的內容,我這里一直沒怎么做,就電路設計部分來談談看這個是怎么來弄的。1)Model S/X特斯拉的快充系統是比較有趣的,它的主要特點是可以
關鍵詞:充電器電路圖電路設計 所屬欄目:其他文章
PCB印刷電路板設計高頻布線的技巧
(1)高頻電路往往集成度較高,布線密度大,采用多層板既是布線所必須的,也是降低干擾的有效手段。(2)高速電路器件管腳間的引線彎折越少越好。高頻電路布線的引線最好采
關鍵詞: 所屬欄目:pcb
電磁式流量傳感器工作原理及電路設計(圖文)
如圖是電磁式流量傳感器的工作電路原理圖。在勵磁線圈通以勵磁電壓后,絕緣導管便處于磁力線密度為B的均勻磁場中,當平均流速為v的導電性液體流經絕緣導管時,那么在導線內徑為D的管道壁
關鍵詞: 所屬欄目:傳感器技術
測溫系統基于DS18B20與AT89C51的設計(圖文)
溫度的測量和控制在激光器、光纖光柵的使用及其他的工農業生產和科學研究中應用廣泛。溫度檢測的傳統方法是使用諸如熱電偶、熱電阻、半導體PN結之類的模擬溫度傳感器。信號經取樣、放大
關鍵詞: 所屬欄目:傳感器技術
工程師必備的8個電路設計技巧
大多數時候,出現在教科書中的電路圖和設計與我們每天工作中完成的真實電路大相徑庭。電路設計并非易事,因為它需要對構成電路部分的每個元件都有充分了解,且實現“完
關鍵詞: 所屬欄目:設計編程
基于cd4046的倍頻電路設計
基于cd4046的倍頻電路設計
輸入信號 Ui從14腳輸入后,經放大器A1進行放大、整形后加到相位比較器Ⅰ、Ⅱ的輸入端,開關K撥至2腳,則比較器Ⅰ將從3腳輸入的比較信號Uo與輸入
關鍵詞: 所屬欄目:集成塊資料