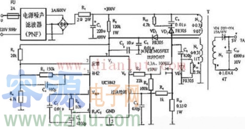
當NMOS管導通時,初級線圈N1電流線性增大,磁場增強,次級線圈中VD4截止,由電容C10向負載供電;此時,脈沖變壓器原邊回路中VD2亦截止,N1這時起存儲能量的作用。當NMOS管截止后,初級線圈電流減小,磁場減弱,次級線圈回路中VD4導通,能量通過VD4及C10向負載釋放,輸出直流電壓,部分能量由VD2向電阻R12和電容C9釋放。
為保證開關電源輸出直流電壓不受干擾,電路中提供了穩壓電路。一是采用NMOS管源極串接電阻R9,把電流信號變為電壓信號,送入UC3842作為比較電壓,控制激勵脈沖的占空比,達到穩壓目的。二是變壓器T中的線圈N2間接采樣,起到電壓反饋作用,N2間接采樣后,經過VD1和C3整流,在C3上取樣,該電壓一方面經過R3和R4分壓送到UC3842的2管腳加到誤差放大器A3的反相輸入端,另一方面直接送到UC3842的7管腳,作為芯片供電電壓。電路剛啟動時由輸入電壓經整流濾波降壓給芯片供電,工作后由反饋電壓供電,因而UC3842的電源電壓反映了輸出電壓的變化,起到反饋作用,使輸出電壓穩定。三是在UC3842中,鋸齒波發生器輸出鋸齒波的斜率還與輸入電壓有關,當輸入電壓升高時鋸齒波斜率增大,使輸出激勵脈沖占空比減小,從而使輸出電壓維持穩定,反之亦然,實際上相當于反饋控制
。
本文地址:http://www.zskn.com.cn/dz/23/38423842.shtml
本文標簽:
猜你感興趣:
開關電源散熱設計熱衷于導熱硅膠片的原因及應用方式
在對電源散熱設計時,散熱這一塊就成了電源設計中非常重要的一個環節。電源散熱設計中常用的幾種方法有:使用被動散熱,如:散熱器、冷卻風扇,金屬PCB,導熱材料(導熱硅膠片)等。
關鍵詞: 所屬欄目:開關電源電路圖
自制最簡單12V開關電源電路圖(WS157)
自制最簡單12V開關電源電路圖(WS157)
開關電源是利用現代電力電子技術,控制開關管開通和關斷的時間比率,維持穩定輸出電壓的一種電源,開關電源一般由脈沖寬度調制(
關鍵詞:開關穩壓電源 所屬欄目:開關電源電路圖
TL431開關電源電路圖(5V,1A)
TL431開關電源電路圖(5V,1A)
TL431的封裝 圖中是采用TL431構成的開關穩壓電源電路,輸出電壓為+5V,輸出電流為1A,電路的輸出紋波小,變化效率可達82%。TL431,R5與R
關鍵詞:開關穩壓電源 所屬欄目:開關電源電路圖
基于UC3842顯示器電源電路圖
基于UC3842顯示器電源電路圖
下面介紹一款顯示器電源電路,ENVISION EC-1439型顯示器電源電路,主要控制芯片是UC3842,輸出電壓分別是96V,88V,20V, 12V。應用UC3842集
關鍵詞: 所屬欄目:電源電路
開關電源TOP261電路圖(筆記本適配器電路)
開關電源TOP261電路圖(筆記本適配器電路)
OPSwitch-HX 源極引腳的輸入濾波電容的負極端采用單點連接到偏置繞組的回路。使電涌電流從偏置繞組直接返回輸入濾波電容,增
關鍵詞:開關穩壓電源充電器電路圖 所屬欄目:開關電源電路圖
TL494芯片設計48V/3A開關電源電路圖
48V3A開關電源電路
TL494是一種固定頻率脈寬調制電路,它包含了開關電源控制所需的全部功能,廣泛應用于單端正激雙管式、半橋式、全橋式開關電源。TL494有SO-16和PDIP
關鍵詞:開關穩壓電源 所屬欄目:開關電源電路圖
集成塊3842引腳功能及內部電路
UC3842是目前流行的電流型PWM信號發生器,具有精度高、電壓穩定、外圍電路簡單、價格低廉等優點,廣泛應用在輸出電壓范圍是4.9~5.1V、功率為20~60W的小型功率開關電源中。Unitrode公司的UC3842是一種高性能固定頻率電流型控制器,包含誤差放大器、PWM比較器、PWM鎖存器、振蕩器、內部基準電源和欠壓鎖定等單元,其結構圖如圖5所示。
關鍵詞: 所屬欄目:元器件知識
明緯開關電源常見故障
明緯開關電源常見故障:開關電源是各種電子設備必不可缺的組成部分,其性能優劣直接關系到電子設備的技術指標及能否安全可靠地工作。由于開關電源內部關鍵元器件工作在高頻開
關鍵詞:開關穩壓電源直流穩壓電源穩壓電路 所屬欄目:開關電源電路圖
充電器13001開關電源電路圖
13001開關電源電路圖主要應用于小功率開關電源電路中,最常見的應用電器應用充電器電路中,13001電路簡單,制作方便、成本低及可靠性好。深受廣大工程師喜愛,下面介紹基于13001開關電路。
關鍵詞:開關穩壓電源充電器電路圖 所屬欄目:開關電源電路圖
經典13003開關電源電路圖
在開關電源電路中,13003作為開關管使用很多,常見用于小功率開關電源電路中,如手機充電器中,開關電源是將交流轉換成直流電源,控制開關管開通和關斷的時間比率,維持穩定
關鍵詞:充電器電路圖開關穩壓電源 所屬欄目:開關電源電路圖
開關電源pcb板布板注意事項
一、印制板布線的一些原則線間距:隨著印制線路板制造工藝的不斷完善和提高,一般加工廠制造出線間距等于甚至小于0.1mm已經不存在什么問題,完全能夠滿足大多數應用場合。考
關鍵詞:電路設計開關穩壓電源 所屬欄目:開關電源電路圖
開關電源初次上電“炸機”?一招教你搞定
做了這么些年的開關電源設計,一個很讓我心里忐忑的事就是新做的樣機進行初次上電,擔心炸機。相信很多工程師跟我一樣深有體會,把自己的新樣機在上電之前檢查再檢查,生怕
關鍵詞: 所屬欄目:開關電源電路圖
12V開關直流穩壓電源電路圖(TWH8778應用電路)
本電路主要應用TWH8778作為控制芯片,首先給大家介紹一下TWH8778集成電路,TWH8778屬于高速集成電子開關,可用于各種自動控制電路。它外形簡單,外圍電路簡單,內部包含過熱
關鍵詞:高頻開關電源開關穩壓電源直流穩壓電源 所屬欄目:開關電源電路圖
開關電源有嘯叫聲如何維修(經驗分享)
開關電源有嘯叫聲如何維修;開關電源在電器設備中至關重要,是整個電器的基礎電路,如果開關電源工作不穩定,那么后級電路設計到在好也是空談,一些細心的朋友可能會發現,
關鍵詞:高頻開關電源開關穩壓電源穩壓電源 所屬欄目:開關電源電路圖
電動車ka3842a充電器電路圖、48V充電電路
電動車ka3842a充電器電路圖、48V充電電路在電動車48V充電器電路中,使用ka3842a集成電路控制開關電源工作很多,當然也有一部分是使用tl494來控制,還不清楚ka3842a集成電路引
關鍵詞:開關穩壓電源充電器電路圖穩壓集成電路 所屬欄目:開關電源電路圖
viper22a電路圖原理
viper22a電路圖原理;下面將用一個DVD開關電源電路圖為大家介紹viper22a工作原理。DVD所用的電源IC為專用開關電源集成電路VIPER22A,圖4是其外引腳圖,圖中,第1、2腳SOURCE是內部場效應管源極的表示,在使用中通常接地,3腳FB是取樣電壓輸入端,4腳VDD是供電電壓端,
關鍵詞:直流穩壓電源開關穩壓電源 所屬欄目:集成塊資料
viper22a開關電源電路圖
viper22a開關電源電路圖:viper22a介紹:典型應用包括離線電源;用于電池充電器適配器備用電源;電視或顯示器用品,輔助用品
關鍵詞:直流穩壓電源開關穩壓電源 所屬欄目:集成塊資料
電腦電源維修方法
電腦電源維修方法
如果電腦開關電源損壞或無法工作,計算機也將無法工作。在開始電腦電源維修之前,我們必須確定損壞的原因。電源損壞通常是由于三個因素造成的,可能是由
關鍵詞:開關穩壓電源穩壓電源 所屬欄目:開關電源電路圖
TL494開關電源電路圖
TL494開關電源電路圖
VMOS管開關電源應用電路如圖所示,設計為一種采用TL494開關集成電路元件作為控制電路的推挽式開關電源。在圖中,TL494用作電源的控制電路,除了作為
關鍵詞:穩壓集成電路穩壓電源 所屬欄目:開關電源電路圖
KA7500B各引腳電壓參考值
KA7500B各引腳電壓參考值 KA7500B是開關電源控制芯片,KA7500B引腳功能在本站一文中詳細介紹過( KA7500B中文資料,引腳功能圖),需要的朋友可以看下。今天給大家介紹KA75
關鍵詞:穩壓電源開關穩壓電源穩壓集成電路 所屬欄目:集成塊資料