本電路能在24V電壓下正常工作,而
的電子節能燈 是在220V的電壓下工作,
本電路可以應用到低電壓下工作,可以蓄電池供電等場合。
工作原理
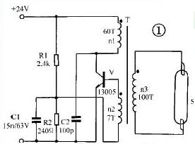
電原理圖如圖1
。接通電源時,電流通過電阻R1、線圈n2到三極管V的基極,使三極管V導通。
線圈n1中有電流通過,使脈沖變壓器T產生磁通,磁通的變化使線圈n2產生感應電動勢,此電動勢通過R2加到三極管V的基極和發射極,產生基極電流而形成自激,使三極管迅速飽和。
三極管的集電極電流繼續增大,磁通也不斷增大,當磁通飽和后,n2中的感應電動勢下降為零,磁通隨之減少,變壓器線圈n1和n2感應出極性相反的電動勢,使三極管迅速截止。然后三極管在電源電壓的作用下又開始從截止到飽和,如此循環往復產生了振蕩。
在線圈n3上就感應出脈沖高壓使燈管點燃。
圖中R1為啟動電阻使開始時電路能正常工作。電阻R2為偏流電阻,向三極管V提供一個合適的基極電流。電容C1為加速電容,用于改善加在三極管V上的脈沖電壓波形。C2的作用是減少加在三極管集-射極上的尖峰電壓,防止三極管被擊穿。

元件選擇
三極管V用MJE13005的塑封管。變壓器T用EE25鐵氧體磁芯,線圈n1、n2都用0.35mm的漆包線繞制,其中n1繞60圈,n2繞7圈,n3用0.28mm的漆包線繞100圈。電阻R1、R2用1/8W碳膜電阻,C1用15n耐壓63V的滌綸電容,C2用100p耐壓為400V的瓷片電容。燈管用9W節能燈管。
制作和調試
先根據要求繞制變壓器T。在塑料骨架上先繞線圈n1,再繞線圈n2,最后繞n3,并注意各線圈的同名端。繞好后裝上磁芯,并用膠紙封緊以防止松動。再根據圖2制成線路板。先裝上變壓器焊好,三極管裝上18mm*25mm的U字型散熱片后焊到線路板上,然后再焊其他元件。找一只9W/220V的節能燈,將原線路板焊去,裝上制作好的24V線路板并固定好。
使節能燈中的三極管工作時熱量能散發出去,需在外殼上開
小孔。制作好的節能燈可在20-26V的電壓下工作,工作電流約300mA,但要注意電源的極性不能接反。

容-源-電-子-網-為你提供技術支持
本文地址:http://www.zskn.com.cn/dz/26/2010922201439.shtml
本文標簽:
猜你感興趣:
應用μPC1238構成的1OW音頻功率放大器
無
關鍵詞: 所屬欄目:AV功放電路
adc0809引腳圖
無
關鍵詞: 所屬欄目:集成塊資料
ds1302中文資料
無
關鍵詞: 所屬欄目:集成塊資料
ds18b20中文資料-引腳功能圖
無
關鍵詞: 所屬欄目:集成塊資料
7404引腳圖功能說明
無
關鍵詞: 所屬欄目:集成塊資料
viper22a中文資料-PDF
無
關鍵詞: 所屬欄目:電子器材
TDA7377引腳功能及參數
無
關鍵詞: 所屬欄目:電子器材
MB89F202RA引腳功能參數介紹
無
關鍵詞: 所屬欄目:電子器材
彩電集成塊STR50115引腳功能及代換型號
無
關鍵詞: 所屬欄目:電子基礎
應用白熾燈激活電瓶
無
關鍵詞: 所屬欄目:家電維修
LM4824IP1引腳功能、中文資料及引腳電壓值
無
關鍵詞: 所屬欄目:集成塊資料
介紹無繩電烙鐵技術
無
關鍵詞: 所屬欄目:電子制作
使用電壓表核相方法
無
關鍵詞: 所屬欄目:電子基礎
印刷電路板整體布局及器件布置
無
關鍵詞: 所屬欄目:pcb
介紹hdmi是什么意思,HDMI接口介紹
無
關鍵詞: 所屬欄目:電子器材
介紹集成運算放大器的基本運算電路實驗內容
無
關鍵詞: 所屬欄目:電子基礎
LM393引腳圖中文資料參數
無
關鍵詞: 所屬欄目:電子基礎
晶閘管SCR觸發電路
無
關鍵詞: 所屬欄目:設計編程
TLP3616引腳功能
無
關鍵詞: 所屬欄目:電子基礎
SR290 PDF資料下載
無
關鍵詞: 所屬欄目:其他文章