Y為與發射器配對的接收模塊,S為四位無線遙控發射器。Y的各輸出端經BG1~BG5放大后,將四路互鎖存數據控制輸出端信號轉換成非鎖存形式,并通過繼電器J1~J4對電機M1、M2進行正反控制。M1控制主音量,M2控制高低音調。
圖中電機M2電路相同,工作原理一樣,所以沒有繪出。當閉合發射器S的A鍵時,Y的輸出端A和I0端輸出高電平,BG1和BG5導通。J1吸合,M1得電工作,斷開后,I0輸出消失,J1斷電電機M1釋放停轉。同樣,閉合B、C、D鍵時,分別控制M1、M2反轉、正轉、反轉。

本文地址:http://www.zskn.com.cn/gongfangdianlu/y/15717055313352.shtml
本文標簽:
猜你感興趣:
YXC有源晶振為功放音響提供時鐘方案
在功放音響設備中,晶振作為關鍵的元件,對于電路的穩定性和性能發揮起著至關重要的作用。然而,不正確使用晶振可能導致一系列問題,如播放雜音等,因此對其進行優化十分重要。
關鍵詞: 所屬欄目:電子基礎
導熱硅膠片是AI智能音響散熱設計的得力幫手
AI智能音箱在電路板上有很多電子元器件,如:主控芯片、內存等這些,它們之間產生的熱量是相當大的,處理解決熱量傳導問題是不可避免的,采取解決方案就是應用導熱硅膠片。在電路板屏蔽罩內部,內存、PMIC、處理器也會使用到導熱硅膠片來加強散熱性能。
關鍵詞: 所屬欄目:電源電路
LM2808電視音響系統
一個LM2808用來擴大4.5MHz音頻,限制,檢測和音頻放大的中頻放大器。如果中心頻率必須被改變,L1/C4就會改變,音頻輸出是0.5W,R3是音量控制。 :
關鍵詞: 所屬欄目:音頻功放電路
TDA2004汽車音響前級放大器
圖示只有該電路的一個通道,其他的實際上是一個副本。這個電流的輸入來自于你汽車的收音機揚聲器輸出。這個輸入被分成兩條路徑;一條路徑是一個高功率分配器(由R8到R10組成)提供4.5Ω的電阻來使得電流的輸入抗阻
關鍵詞: 所屬欄目:音頻功放電路
雙節鋰電池供電20W+2×10W移動2.1音響音頻放大升壓充電
深圳市永阜康科技有限公司推出基于CS8611E單芯片移動2.1聲道藍牙音箱解決方案。采用雙節鋰電池串聯8.4V做電源,再加一個升壓芯片CS5036E升壓到12V給CS8611E供電,實現20W+2×10W輸出;而充電采用CS5090E USB 5V輸入兩節鋰電池串聯8.4V充電管理芯片,非常方便。在鋰電池為電源的狀態下提供媲美傳統2.1音箱的聽覺體驗。
關鍵詞: 所屬欄目:專業功放電路
STK2100-HI-Fi高保真音響
一、HI-Fi原理 眾多的發燒人都喜歡使用三洋公司的STK系列功率放大器電路,如STK4131. STK4191等,但美中不足的是這些功放采用晶體管輸出,其頻響、失真及動態范閑等指標都個高。這里介紹一種性能優良的高保
關鍵詞: 所屬欄目:音頻功放電路
簡易迷你發燒音響的制作
自制了一套音響,是將普及型的AM/FM汽車收放機從電位器前取出信號作音源,用6N3和6P14電子管作功放。老式的飛樂橢圓型喇叭加上一個簡易木盒子作音箱。功放電路見圖。 :
關鍵詞: 所屬欄目:音頻功放電路
3D音響立體聲功放基于LM4832的設計
LM4832是單片集成電路,提供立體聲音頻功率放大器、音調(高音和低音)和音量控制,能夠輸出250mW功率帶動8Ω負載,或輸出90mW功率帶動32Ω負載,總諧波失真及噪聲(THD N)低于1.0%。LM4832有兩個輸入話筒前置
關鍵詞:功放集成電路重低音電路圖AV放大器電路 所屬欄目:音頻功放電路
DY336設計的音響前級放大電路的簡介
如圖所示電路是功放前級的其中一路放大電路。電路采用3只DY336低噪聲、高品質運放。其中A1用作輸入信號的緩沖跟隨器,以減輕信號源的負擔。A2和RPl組成負反饋音量調節器,這種音量的調節方式能減小RPl阻值變化所
關鍵詞: 所屬欄目:音頻功放電路
OPA502構成的組合音響放大器電路
該高保真組合音響放大電路使用了超低噪聲精密運放OPA27作為前置放大。該電路最大輸出功率可達150W。OPA27采用同相輸入方式可提高其輸入阻抗,當電源電壓為±15V時,其輸出線性動態范圍±12V。當輸出功率為50W時
關鍵詞: 所屬欄目:音頻功放電路
555制作汽車音響揚聲器保護電路原理圖
揚聲器保護電路如圖1所示。主要由中點電位檢測電路、延時電路及繼電器等組成。電路工作過程是: 在接通音響電源的瞬間,因電容C3兩端電壓不能突變,可視為短路,則時基電路555的②、⑥腳電位高于2/3 Vcc,故
關鍵詞: 所屬欄目:音頻功放電路
LA4162 音響IC電路圖
LA4190 音響IC電路電路圖
RF遙控器的簡易設計與應用
由于高度集成的單芯片RF解決方案的出現,設計射頻(RF)遙控器從未如此簡單。片上系統(SoC)發送器解決方案,例如Silicon Labs的Si4010單芯片遠程控制集成電路(IC),大大
關鍵詞: 所屬欄目:電子制作
RF遙控器的簡易設計與應用
由于高度集成的單芯片RF解決方案的出現,設計射頻(RF)遙控器從未如此簡單。片上系統(SoC)發送器解決方案,例如Silicon Labs的Si4010單芯片遠程控制集成電路(IC),大大
關鍵詞: 所屬欄目:電子制作
IC4069簡易紅外遙控開關電路圖
4069簡易紅外遙控開關電路圖。現在家庭中TV、VCD、VCR等紅外遙控發射器擁有量較普遍,本電路針對它們的性能而構思,使遙控發射器發揮另一用途:發射紅外信號,控制照明燈具,其控制距離
關鍵詞: 所屬欄目:電路圖
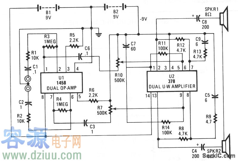
LM378迷你音響電路
該電路圍繞2個芯片設置,一個是MC1458雙運放構成前置放大器,另一個為LM378雙4-watt放大器。前置放大器的增益由R3/R1獲得用于一側,另一側為R4/R2,大約為100。通過比率增加,增益隨之變化。 :
關鍵詞: 所屬欄目:專業功放電路
用于音響中控制音量大小的電位控制電路圖
如圖1所示是由單八路模擬開關CD4051、可預置可逆計數器CD4029、四導或門CD4070,三3輸入端或非門 CD4025以及六反相器CD4069 組成的電位位控制電路,該電路主要用于音響設備中控制音量大小。圖1 電位控制電路
關鍵詞: 所屬欄目:音頻功放電路
簡易遙控開關電路圖大全
無
關鍵詞: 所屬欄目:電路圖
遙控器簡單檢測技巧
無
關鍵詞: 所屬欄目:家電維修