一、輸入阻抗
輸入阻抗是指一個電路輸入端的等效阻抗.在輸入端上加上一個電壓源U,測量輸入端的電流I,則輸入阻抗Rin就是U/I.你可以把輸入端想象成一個電阻的兩端,這個電阻的阻值,就是輸入阻抗.
輸入阻抗跟一個普通的電抗元件沒什么兩樣,它反映了對電流阻礙作用的大小.對于電壓驅動的電路,輸入阻抗越大,則對電壓源的負載就越輕,因而就越容易驅動,也不會對信號源有影響;而對于電流驅動型的電路,輸入阻抗越小,則對電流源的負載就越輕.因此,我們可以這樣認為:如果是用電壓源來驅動的,則輸入阻抗越大越好;如果是用電流源來驅動的,則阻抗越小越好(注:只適合于低頻電路,在高頻電路中,還要考慮阻抗匹配問題.另外如果要獲取最大輸出功率時,也要考慮 阻抗匹配問題
二、輸出阻抗
無論信號源或放大器還有電源,都有輸出阻抗的問題.輸出阻抗就是一個信號源的內阻.本來,對于一個理想的電壓源(包括電源),內阻應該為0,或理想電流源的阻抗應當為無窮大.輸出阻抗在電路設計最特別需要注意 但現實中的電壓源,則不能做到這一點.我們常用一個理想電壓源串聯一個電阻r的方式來等效一個實際的電壓源.這個跟理想電壓源串聯的電阻r,就是(信號源/放大器輸出/電源)的內阻了.當這個電壓源給負載供電時,就會有電流I從這個負載上流過,并在這個電阻上產生I×r的電壓降.這將導致電源輸出電壓的下降,從而限制了最大輸出功率(關于為什么會限制最大輸出功率,請看后面的“阻抗匹配”一問).同樣的,一個理想的電流源,輸出阻抗應該是無窮大,但實際的電路是不可能的
三、阻抗匹配
阻抗匹配是指信號源或者傳輸線跟負載之間的一種合適的搭配方式.阻抗匹配分為低頻和高頻兩種情況討論.
我們先從直流電壓源驅動一個負載入手.由于實際的電壓源,總是有內阻的(請參看輸出阻抗一問),我們可以把一個實際電壓源,等效成一個理想的電壓源跟一個電阻r串聯的模型.假設負載電阻為R,電源電動勢為U,內阻為r,那么我們可以計算出流過電阻R的電流為:I=U/(R+r),可以看出,負載電阻R越小,則輸出電流越大.負載R上的電壓為:Uo=IR=U/[1+(r/R)],可以看出,負載電阻R越大,則輸出電壓Uo越高.再來計算一下電阻R消耗的功率為:
P=I2×R=[U/(R+r)]2×R=U2×R/(R2+2×R×r+r2)
=U2×R/[(R-r)2+4×R×r]
=U2/{[(R-r)2/R]+4×r}
對于一個給定的信號源,其內阻r是固定的,而負載電阻R則是由我們來選擇的.注意式中[(R-r)2/R],當R=r時,[(R-r)2/R]可取得最小值0,這時負載電阻R上可獲得最大輸出功率Pmax=U2/(4×r).即,當負載電阻跟信號源內阻相等時,負載可獲得最大輸出功率,這就是我們常說的阻抗匹配之一.對于純電阻電路,此結論同樣適用于低頻電路及高頻電路.當交流電路中含有容性或感性阻抗時,結論有所改變,就是需要信號源與負載阻抗的的實部相等,虛部互為相反數,這叫做共扼匹配.在低頻電路中,我們一般不考慮傳輸線的匹配問題,只考慮信號源跟負載之間的情況,因為低頻信號的波長相對于傳輸線來說很長,傳輸線可以看成是“短線”,反射可以不考慮(可以這么理解:因為線短,即使反射回來,跟原信號還是一樣的).從以上分析我們可以得出結論:如果我們需要輸出電流大,則選擇小的負載R;如果我們需要輸出電壓大,則選擇大的負載R;如果我們需要輸出功率最大,則選擇跟信號源內阻匹配的電阻R.有時阻抗不匹配還有另外一層意思,例如一些儀器輸出端是在特定的負載條件下設計的,如果負載條件改變了,則可能達不到原來的性能,這時我們也會叫做阻抗失配.
在高頻電路中,我們還必須考慮反射的問題.當信號的頻率很高時,則信號的波長就很短,當波長短得跟傳輸線長度可以比擬時,反射信號疊加在原信號上將會改變原信號的形狀.如果傳輸線的特征阻抗跟負載阻抗不相等(即不匹配)時,在負載端就會產生反射.為什么阻抗不匹配時會產生反射以及特征阻抗的求解方法,牽涉到二階偏微分方程的求解,在這里我們不細說了,有興趣的可參看電磁場與微波方面書籍中的傳輸線理論.傳輸線的特征阻抗(也叫做特性阻抗)是由傳輸線的結構以及材料決定的,而與傳輸線的長度,以及信號的幅度、頻率等均無關.
例如,常用的閉路電視同軸電纜特性阻抗為75Ω,而一些射頻設備上則常用特征阻抗為50Ω的同軸電纜.另外還有一種常見的傳輸線是特性阻抗為300Ω的扁平平行線,這在農村使用的電視天線架上比較常見,用來做八木天線的饋線.因為電視機的射頻輸入端輸入阻抗為75Ω,所以300Ω的饋線將與其不能匹配.實際中是如何解決這個問題的呢?不知道大家有沒有留意到,電視機的附件中,有一個300Ω到75Ω的阻抗轉換器(一個塑料封裝的,一端有一個圓形的插頭的那個東東,大概有兩個大拇指那么大).它里面其實就是一個傳輸線變壓器,將300Ω的阻抗,變換成75Ω的,這樣就可以匹配起來了.這里需要強調一點的是,特性阻抗跟我們通常理解的電阻不是一個概念,它與傳輸線的長度無關,也不能通過使用歐姆表來測量.為了不產生反射,負載阻抗跟傳輸線的特征阻抗應該相等,這就是傳輸線的阻抗匹配,如果阻抗不匹配會有什么不良后果呢?如果不匹配,則會形成反射,能量傳遞不過去,降低效率;會在傳輸線上形成駐波(簡單的理解,就是有些地方信號強,有些地方信號弱),導致傳輸線的有效功率容量降低;功率發射不出去,甚至會損壞發射設備.如果是電路板上的高速信號線與負載阻抗不匹配時,會產生震蕩,輻射干擾等.容-源-電-子-網-為你提供技術支持
本文地址:http://www.zskn.com.cn/Components/15457947882820.shtml
本文標簽:
猜你感興趣:
FP6601A Type-A HVDCP 控制器與插入/輸出自動檢測
關鍵詞: 所屬欄目:元器件知識
差分晶振的輸出波形解析:三種類型要知道
對于晶振輸出波形,相信有人可能會認為只有兩種波形,即無源晶振輸出波形是正弦波,有源晶振輸出波形是方波,一小部分是正弦波。由于有源晶振中增加了整形電路,輸出為方波,很少使用正弦波。一般采用方波輸出(大部分時候在示波器上看到的是波形很差的正弦波,這是由于示波器的帶寬不夠。
關鍵詞: 所屬欄目:電子基礎
M12266 Type-C輸入3-6節鋰電池同口充放電管理移動電源
深圳市永阜康科技有限公司現在大力推廣一顆內置PD3.0/QC3.0等主流快充協議、3-6多節鋰電池移動電源雙向100W快充IC-M12266,配合極簡的外圍電路,即可實現常見便攜電子設備的Type-C快充需求。
關鍵詞: 所屬欄目:電源電路
IU5207/IU5208 Type-C輸入升壓型2/3節鋰電池快充IC解
針對2/3節鋰電池供電的電子設備,最好的方式是采用通用Type-C接口充電,這樣就可以通用Type-C的充電器,便攜式移動電子設備出廠時搭配一根充電線就完美的解決上述應用的困擾,節省終端產品整機成本,避免材料的浪費。深圳市永阜康科技有限公司推出針對2/3節鋰電池充電應用,大力推廣Type-C輸入升壓型2/3節鋰電池快充IC系列-IU5207/IU5208,芯片極具性價比,應用簡單。
關鍵詞: 所屬欄目:電源電路
鋰電池充放電管理 (輸入5V輸出1.5V)ZCC5600
關鍵詞: 所屬欄目:電源電路
為什么LDO輸出不穩定,其實原因很簡單
前一陣朋友和我說當初用某型號LDO時,發現輸出異常,仔細閱讀datasheet后,更換輸出電容解決。LDO的輸出電容對性能至關重要,除了會提高電源抑制比PSRR抑制噪聲外,對環路穩
關鍵詞: 所屬欄目:電子基礎
PW2606過壓保護芯片,高輸入電壓(OVP)
PW2606是一種前端過電壓和過電流保護裝置。它實現了廣泛的輸入電壓范圍從2.5V到40V。過電壓閾值可在外部編程或設置為內部默認設置。集成功率路徑nFET開關的超低電阻確保了更
關鍵詞: 所屬欄目:元器件知識
0.8A,4.5V-55V輸入,異步降壓調節器PW2558及典型應用
說明
PW2558開發了一種高效的異步降壓DC/DC調節器輸出0.8A電流。集成電路采用電流模式自適應恒關斷時間控制。這個PW2558可在4.5V至55V的寬輸入電壓范圍內工作,并將主開關
關鍵詞: 所屬欄目:元器件知識
5A,4.5V-30V輸入,同步降壓調節器,PW2205
一般說明
PW2205開發了一種高效率的同步降壓DC-DC轉換器5A輸出電流。PW2205在4.5V到30V的寬輸入電壓范圍內工作集成主開關和同步開關,具有非常低的RDS(ON)以最小化傳導
關鍵詞: 所屬欄目:元器件知識
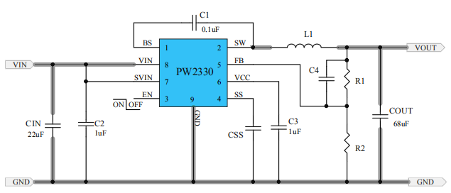
3A,4.5V-30V輸入,同步降壓調節器PW2330
一般說明
PW2330開發了一種高效率的同步降壓DC-DC變換器3A輸出電流。PW2330在4.5V到30V的寬輸入電壓范圍內工作集成主開關和同步開關,具有非常低的RDS(ON)以最小化傳導損
關鍵詞: 所屬欄目:元器件知識
2V升3V芯片,輸入2V輸出3V可達1A
PW5328B是一個恒定頻率, 6引腳 SOT23電流模式升壓轉換器,用于小型低功耗應用。 PW5328B的開關頻率為 1.2MHz,允許使用微小的、低成本的電容器和電感器。內部軟啟動導致小
關鍵詞: 所屬欄目:元器件知識
2V升3.3V芯片,輸出500MA,低功耗10uA解決方案
2V的輸入電壓其實非常少,一般都是鎳氫電池1.2V,干電池1.5V,來給玩具,MCU單片機,模塊啊,等等供電。不過2V的供電電源或者設備確實是不常見的。
一般2V升3.3V,需要升
關鍵詞: 所屬欄目:元器件知識
2V轉5V輸出,2.4V轉5V輸出,DC-DC同步整流升壓電路
PW5100可以適用于2V轉5V和2.4V轉5V的應用電路中,PW5100是一顆DC-DC的同步升壓轉換器芯片。
PW5100特點: 低輸入,寬范圍:0.7V-5V 輸出電壓固定,外圍少:3V,3..3V,5V 輸
關鍵詞: 所屬欄目:元器件知識
鎳氫可充電電池2.4V轉3.3V,2V轉3.3V穩壓供電輸出電路
PW5100可以實現2.4V轉3.3V,2V轉3.3V的穩壓電源電路,輸出電流500MA.靜態電流10uA,SOT23-5封裝。輸出紋波低,輕載性能高(輕載電感推薦6.8UH-10UH).PW5100 是一款高
關鍵詞: 所屬欄目:元器件知識
HU5810C輸入5V升壓充電12.6V三串鋰電池升壓充電芯片
HU5810C是5V輸入升壓充電12.6V1.2A給三節鋰電池充電芯片 輸入小電流不會拉死,溫度60°建議1000-1100MA帶NTC熱敏溫度電流保護。HU5810C是一款5V輸入,1.2A充電電流,支持三
關鍵詞: 所屬欄目:集成塊資料
HX-JE芯片輸入電壓2.5v-5v升壓ic
HU3031B是一個具備低噪聲、恒定開關頻率(400KHz)的電容式電壓倍增器。輸入2.5至4.5V,產生恒定的5V輸出電壓,大輸出電流能達到250mA。較少的外部器件(僅有一只自舉電容和
關鍵詞: 所屬欄目:集成塊資料
簡單自制tl494逆變器電路圖50hz輸出,大功率
簡單自制tl494逆變器電路圖50hz輸出,大功率輸出,
逆變器(inverter)是把直流電能(電池、蓄電瓶)轉變成交流電(一般為220v50HZ正弦或方波)。應急電源,一般是把直流
關鍵詞:逆變器穩壓電路 所屬欄目:逆變器電路圖
簡單自制tl494逆變器電路圖50hz輸出,大功率
簡單自制tl494逆變器電路圖50hz輸出,大功率輸出,
逆變器(inverter)是把直流電能(電池、蓄電瓶)轉變成交流電(一般為220v50HZ正弦或方波)。應急電源,一般是把直流
關鍵詞:逆變器穩壓電路 所屬欄目:逆變器電路圖
HT566 2x20W立體聲I2S數字輸入無電感閉環D類音頻功放I
深圳市永阜康科技有限公司現在推廣一顆I2S數字輸入20W立體聲無電感閉環D類音頻功放芯片HT566,適合應用于藍牙音箱、WiFi音箱、智能音箱、公交車語音播報系統等領域。
關鍵詞: 所屬欄目:音頻功放電路
無輸出變壓器電路制作OCL立體聲功放
省去輸出變壓器的功率放大電路通常稱為OTL電路.其中,OTL為OutputTransformerLess的縮寫.OTL電路為單端推挽式無輸出變壓器功率放大電路.通常采用電源供電,從兩組串聯的輸出中點通過電容耦合輸出信號.OTL電路是一
關鍵詞: 所屬欄目:音頻功放電路