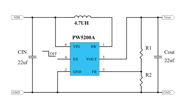
PW5200A工作頻率為1.4MHZ。輕載時自動PWM/PFM模式切換,提高效率。
PW5200A能夠提供2.5V和5V之間的可調輸出電" />
1.5V升3V的升壓芯片,3V給LED供電,或者單片機模塊供電等。
PW5200A工作頻率為1.4MHZ。輕載時自動PWM/PFM模式切換,提高效率。
PW5200A能夠提供2.5V和5V之間的可調輸出電壓,內部同步整流開關,節省了肖特基的情況下提高了效率。PW5200A的輸入電壓是1V-4.4V之間,適合1-2節干電池或者鋰電池輸入。
PW5100是同步升壓芯片,輸入電壓范圍0.7V-5.5V,輸出電壓固定3.3V,3V,5V等。超低功耗升壓芯片


非常感謝用戶kuakewei 的投稿!
本文地址:http://www.zskn.com.cn/Components/16097498134177.shtml
本文標簽:
猜你感興趣:
PL2303 PFM升壓 DC-DC 變換器
關鍵詞: 所屬欄目:元器件知識
PS7516 2.5A高效同步PWM增壓轉換器
關鍵詞: 所屬欄目:元器件知識
PS7526 高效 DC-DC 同步整流升壓轉換器
關鍵詞: 所屬欄目:元器件知識
PL7512A 非同步的PWM提升轉換器
關鍵詞: 所屬欄目:元器件知識
FP6715 5V、2.5A、550 KHz高效低波紋同步升壓轉換器
關鍵詞: 所屬欄目:元器件知識
IU5207/IU5208 Type-C輸入升壓型2/3節鋰電池快充IC解
針對2/3節鋰電池供電的電子設備,最好的方式是采用通用Type-C接口充電,這樣就可以通用Type-C的充電器,便攜式移動電子設備出廠時搭配一根充電線就完美的解決上述應用的困擾,節省終端產品整機成本,避免材料的浪費。深圳市永阜康科技有限公司推出針對2/3節鋰電池充電應用,大力推廣Type-C輸入升壓型2/3節鋰電池快充IC系列-IU5207/IU5208,芯片極具性價比,應用簡單。
關鍵詞: 所屬欄目:電源電路
SD6271 1MHz,2A升壓電流模式PWM轉換器
一般說明
SD6271是一個電流模式升壓DC-DC轉換器。它的PWM電路內置0.25Q功率MOSFET使該調節器高效。內部補償網絡還最小化多達6個外部組件計數。誤差放大器的非反相輸入連接到一個0.6V的精度參考電壓,其整數啟動功能可以降低涌入電流。
SD6271可在“SOT23-6L”軟件包中使用,并為應用程序領域提供了節省空間的PCB。
關鍵詞: 所屬欄目:集成塊資料
TD8587 5V 2.1A 1.2MHz同步升壓轉換器芯片
一般說明
TD8587是一個同步整流器,固定的開關頻率(典型的1.2MHz),和電流模式的升壓調節器。該設備允許為USB設備使用小型電感器和輸出電容器。該電流模式控制方案具有快速的瞬態響應和良好的輸出電壓精度。
在輕負載下,TD8587將自動進入脈沖調頻(PFM)操作,以減少主要的開關損耗。在PFM運行期間,IC消耗非常低的靜止電流,并在整個負載范圍內保持高效率。TD8587還包括電流限制和過溫停機,以防止在輸出過載時的損壞。
TD8587有ESOP-8軟件包。
關鍵詞: 所屬欄目:集成塊資料
鋰電池、鉛酸電池供電的戶外藍牙音箱如何選擇合適的升
深圳市永阜康科技有限公司一直致力音頻領域芯片的推廣,總結市場應用痛點,現推薦一套升壓+功放IC搭配應用組合,涵蓋20-60W單雙聲道的應用。升壓芯片、功放芯片系列管腳兼容,實現同一PCB,不同功率要求無縫切換,避免重復開發工作,縮短項目周期。
關鍵詞: 所屬欄目:音頻功放電路
IU8689+IU5706 單聲道100W/立體聲60W同步升壓+功放IC大
深圳市永阜康科技有限公司推出基于IU8689+IU5706、單聲道100W/立體聲2x60W同步升壓+功放IC大功率拉桿音箱應用組合方案,升壓效率高達96%。在提供更大功率輸出的前提下,整套方案組合極具性價比。
關鍵詞: 所屬欄目:車載功放電路
ACM3108/ACM3128/ACM3129立體聲D類功放芯片系列動態調
深圳市永阜康科技有限公司現在大力推廣具備動態調整升壓CLASS H功能的D類功放芯片系列-ACM31XX系列,功率覆蓋單聲道10W-100W、雙聲道2*10W-2*50W,供電滿足1-5串鋰電池及鉛酸電池的應用,能夠保證足夠功率輸出及音質體驗的前提下,極大延長電池的續航時間。
關鍵詞: 所屬欄目:音頻功放電路
干電池升壓IC 3.3V的電源芯片PW5100
PW5100 的工作頻率高達 1.2MHz,其目的是為了能夠減小外部的電感尺寸和輸出電容容值,故 PW5100 只需要 1uH 以上的電感就可以保證正常工作,
但是輸出端如果需要輸出大電流負載(例如:輸出電流大于 200mA),為了提高工作效率,建議使用較大一點的電感。
同時輕載應用,輸出電流10M,50MA左右時,建議使用大的的電感如6.8UH。
關鍵詞: 所屬欄目:電子器材
PC1961同步升壓芯片直接替代PW5100
產品概述
PC1961系列產品是一款低功耗高效率、低紋波、工
作頻率高的 PFM 控制升壓 DC-DC 變換器。
PC1961 系列產品僅需要3個外部元器,即可完成低
輸入的電池電壓輸入。
用途
1-3 個千電池的電子設備數碼相機。電子詞典 LED手電簡、LED燈
血壓計、MP3、遙控玩具 無線耳機、無線鼠標鍵盤、醫療器械
防丟器、汽車防盜器、充電器 VCR、PDA 等手持電子設備
典型應用電路
.
,產品特點
最高效率:94% 最高工作頻率:300KHz 低
關鍵詞: 所屬欄目:集成塊資料
鋰電池充放電管理 (輸入5V輸出1.5V)ZCC5600
關鍵詞: 所屬欄目:電源電路
TP8312 滿足0.9V低電壓工作的一節兩節干電池升壓IC解決
深圳市永阜康科技有限公司針對1-2節干電池及鋰電池供電的移動設備應用需求,現在大力推廣一顆具備3uA超低靜態電流、最低啟動電壓0.65V低功耗同步升壓IC-TP8312。
關鍵詞: 所屬欄目:電源電路
HT7181 3.7V/7.4V升16V內置MOS大功率升壓IC解決方案
DC-DC升壓電路在電子電路中是很常見的,無論是匹配不同器件的工作電壓需要還是為了提高足夠的輸出功率,都必須用到升壓電路。特別是便攜式的電子產品,電源是電池供電,如單
關鍵詞: 所屬欄目:電源電路
12V升30V大功率2x100W雙聲道D類音頻功放升壓組合解決方
隨著技術進步及競爭加劇,市場對功率及音質的要求也越來越高,深圳市永阜康科技有限公司推出基于CS8683+FP5207、12V升30V大功率2x100W雙聲道D類音頻功放升壓組合解決方案,為音頻愛好者提供極致的音質體驗。
關鍵詞: 所屬欄目:車載功放電路
5V升21V充電芯片
5V升壓充電21V五節鋰電池升壓充電管理芯片HU5911
關鍵詞: 所屬欄目:集成塊資料
5V升壓8.4V充電芯片
HU5810A是一款5V升壓8.4V充電芯片
關鍵詞: 所屬欄目:集成塊資料
5V升壓16.8V充電芯片
HU5912是一款5V升壓16.8V充電芯片,最大充電電流4A在多串鋰電池方案廣泛
關鍵詞: 所屬欄目:集成塊資料