SD6271是一個電流模式升壓DC-DC轉換器。它的PWM電路內置0.25Q功率MOSFET使該調節器高效。內部補償網絡還最小化多達6個外部組件計數。誤差放大器的非反相輸入連接到一個0.6V的精度參考電壓,其整數啟動功能可以降低涌入電流。
SD6271可在“SOT23-6L”軟件包中使用,并為應用程序領域提供了節省空間的PCB。" />


容-源-電-子-網-為你提供技術支持
非常感謝用戶BSDZ123 的投稿!
本文地址:http://www.zskn.com.cn/ic/16908613464777.shtml
本文標簽:
猜你感興趣:
TD8587 5V 2.1A 1.2MHz同步升壓轉換器芯片
一般說明
TD8587是一個同步整流器,固定的開關頻率(典型的1.2MHz),和電流模式的升壓調節器。該設備允許為USB設備使用小型電感器和輸出電容器。該電流模式控制方案具有快速的瞬態響應和良好的輸出電壓精度。
在輕負載下,TD8587將自動進入脈沖調頻(PFM)操作,以減少主要的開關損耗。在PFM運行期間,IC消耗非常低的靜止電流,并在整個負載范圍內保持高效率。TD8587還包括電流限制和過溫停機,以防止在輸出過載時的損壞。
TD8587有ESOP-8軟件包。
關鍵詞: 所屬欄目:集成塊資料
干電池升壓IC 3.3V的電源芯片PW5100
PW5100 的工作頻率高達 1.2MHz,其目的是為了能夠減小外部的電感尺寸和輸出電容容值,故 PW5100 只需要 1uH 以上的電感就可以保證正常工作,
但是輸出端如果需要輸出大電流負載(例如:輸出電流大于 200mA),為了提高工作效率,建議使用較大一點的電感。
同時輕載應用,輸出電流10M,50MA左右時,建議使用大的的電感如6.8UH。
關鍵詞: 所屬欄目:電子器材
TP8312 滿足0.9V低電壓工作的一節兩節干電池升壓IC解決
深圳市永阜康科技有限公司針對1-2節干電池及鋰電池供電的移動設備應用需求,現在大力推廣一顆具備3uA超低靜態電流、最低啟動電壓0.65V低功耗同步升壓IC-TP8312。
關鍵詞: 所屬欄目:電源電路
HT7181 3.7V/7.4V升16V內置MOS大功率升壓IC解決方案
DC-DC升壓電路在電子電路中是很常見的,無論是匹配不同器件的工作電壓需要還是為了提高足夠的輸出功率,都必須用到升壓電路。特別是便攜式的電子產品,電源是電池供電,如單
關鍵詞: 所屬欄目:電源電路
HT7180 3.7V升12V/2A內置MOS大電流升壓IC解決方案
針對升壓值13V以下的DC-DC升壓應用需求,推廣一款集成10A開關管的12.8V輸出、大電流非同步DC-DC升壓IC:HT7180。HT7180采用獨到的電路研發技術以及先進的半導體工藝制程,基于SOP8封裝,工作效率高達90%以上,無需外加散熱器,3.7V輸入升壓到12V,可穩定輸出2A電流。
關鍵詞: 所屬欄目:電源電路
HT7179 12V升24V內置MOS大電流升壓IC解決方案
深圳市永阜康科技有限公司針對大功率的DC-DC升壓應用需求,推廣一款集成15A開關管的26.8V、120W輸出、大電流非同步DC-DC升壓IC-HT7179。HT7179采用獨到的電路研發技術以及先進的半導體工藝,重載時高達93%以上的工作效率,無需外加散熱器,升壓到26.8V,可穩定輸出120W。
關鍵詞: 所屬欄目:電源電路
CS5005 無電感電荷泵DC/DC小電流300mA升壓IC
CS5005S輸出電流高達300mA,效率80%以上。內部采用低噪聲半導體工藝加上恒定頻率工作模式實現超高信噪比。針對FM收音、無線麥V段頻率,芯片內部特殊的處理,使得這兩個應用場景最大程度實現良好的接收效果。CS5005S內置軟起動電路可在啟動期間防止出現過大的浪涌電流。具備可靠的短路保護以及過熱保護功能。采用精簡的SOT23-6封裝,外圍只需三個2.2uF瓷片小電容。廣泛應用于3.7V單節鋰電池供電
關鍵詞: 所屬欄目:電源電路
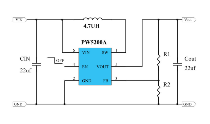
1.5V升3V芯片和電路圖,DC-DC升壓IC
1.5V升3V的升壓芯片,3V給LED供電,或者單片機模塊供電等。
PW5200A工作頻率為1.4MHZ。輕載時自動PWM/PFM模式切換,提高效率。
PW5200A能夠提供2.5V和5V之間的可調輸出電
關鍵詞: 所屬欄目:元器件知識
HX-JE芯片輸入電壓2.5v-5v升壓ic
HU3031B是一個具備低噪聲、恒定開關頻率(400KHz)的電容式電壓倍增器。輸入2.5至4.5V,產生恒定的5V輸出電壓,大輸出電流能達到250mA。較少的外部器件(僅有一只自舉電容和
關鍵詞: 所屬欄目:集成塊資料