3.7V單節鋰電池供電是現階段量最大的便攜式音箱供電方式之一。而采用內置BOOST升壓音頻功放占比重非常大。此類音箱電池供電電流動態變化極大,尤其電池保護板放電電流余量不足時,電流跳變落差大導致電池電壓波動極大。勢必導致主控低壓檢測電路誤動作,出現卡音或者直接拉死主控。所以單獨配置升壓電路給主控以及無線麥接收板供電必不可少。
5V是很多器件以及電路標準的供電電壓。針對音箱的應用場景,一般帶LED顯示屏主控供電電流約50mA,無線麥接收板電流約100mA,加上U盤等其他電路一起最大電流約200mA。另外還必須考慮升壓輸出紋波以及噪聲,不然會影響系統的信噪比。再有就是EMI特性,直接影響FM收音效果以及無線麥接收距離和清晰度,考慮外圍成本,EMI輻射干擾,電荷泵升壓方式是最佳選擇。
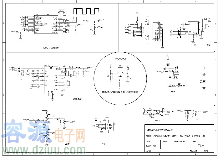
深圳市永阜康科技有限公司結合客戶實際應用方案,推出低噪聲、低EMI、電荷泵5V升壓芯片-CS5005S。CS5005S輸出電流高達300mA,效率80%以上。內部采用低噪聲半導體工藝加上恒定頻率工作模式實現超高信噪比。針對FM收音、無線麥V段頻率,芯片內部特殊的處理,使得這兩個應用場景最大程度實現良好的接收效果。CS5005S內置軟起動電路可在啟動期間防止出現過大的浪涌電流。具備可靠的短路保護以及過熱保護功能。采用精簡的SOT23-6封裝,外圍只需三個2.2uF瓷片小電容。廣泛應用于3.7V單節鋰電池供電的拉桿音響,手提音箱,藍牙音響,以及其他便攜式產品。
CS5005S應用特性
1. CS5005S腳位圖以及管腳說明

2. CS5005S應用原理圖
3. CS5005S 一體演示板原理圖

4. CS5005S一體演示板PCB頂層設計圖
5. CS5005S 一體演示板PCB底層設計圖
6. CS5005S 一體演示板貼片圖
7. CS5005S 一體演示板物料清單
8. CS5005S 一體演示板實物圖
文章來源:深圳市永阜康科技有限公司
非常感謝用戶yongfukang 的投稿!
本文地址:http://www.zskn.com.cn/dz/23/1611117CS5005.shtml
本文標簽:
猜你感興趣:
PL2303 PFM升壓 DC-DC 變換器
關鍵詞: 所屬欄目:元器件知識
PS7516 2.5A高效同步PWM增壓轉換器
關鍵詞: 所屬欄目:元器件知識
PS7526 高效 DC-DC 同步整流升壓轉換器
關鍵詞: 所屬欄目:元器件知識
PL7512A 非同步的PWM提升轉換器
關鍵詞: 所屬欄目:元器件知識
FR9608 3A同步降壓DC/DC轉換器
關鍵詞: 所屬欄目:元器件知識
FR9811 2A同步降壓DC/DC轉換器
關鍵詞: 所屬欄目:元器件知識
FP6715 5V、2.5A、550 KHz高效低波紋同步升壓轉換器
關鍵詞: 所屬欄目:元器件知識
IU5207/IU5208 Type-C輸入升壓型2/3節鋰電池快充IC解
針對2/3節鋰電池供電的電子設備,最好的方式是采用通用Type-C接口充電,這樣就可以通用Type-C的充電器,便攜式移動電子設備出廠時搭配一根充電線就完美的解決上述應用的困擾,節省終端產品整機成本,避免材料的浪費。深圳市永阜康科技有限公司推出針對2/3節鋰電池充電應用,大力推廣Type-C輸入升壓型2/3節鋰電池快充IC系列-IU5207/IU5208,芯片極具性價比,應用簡單。
關鍵詞: 所屬欄目:電源電路
FR9850F 18V、2A同步降壓DC/DC轉換器
關鍵詞: 所屬欄目:集成塊資料
FR9206F 18V、3A同步降壓DC/DC轉換器
關鍵詞: 所屬欄目:集成塊資料
SD6271 1MHz,2A升壓電流模式PWM轉換器
一般說明
SD6271是一個電流模式升壓DC-DC轉換器。它的PWM電路內置0.25Q功率MOSFET使該調節器高效。內部補償網絡還最小化多達6個外部組件計數。誤差放大器的非反相輸入連接到一個0.6V的精度參考電壓,其整數啟動功能可以降低涌入電流。
SD6271可在“SOT23-6L”軟件包中使用,并為應用程序領域提供了節省空間的PCB。
關鍵詞: 所屬欄目:集成塊資料
TD8587 5V 2.1A 1.2MHz同步升壓轉換器芯片
一般說明
TD8587是一個同步整流器,固定的開關頻率(典型的1.2MHz),和電流模式的升壓調節器。該設備允許為USB設備使用小型電感器和輸出電容器。該電流模式控制方案具有快速的瞬態響應和良好的輸出電壓精度。
在輕負載下,TD8587將自動進入脈沖調頻(PFM)操作,以減少主要的開關損耗。在PFM運行期間,IC消耗非常低的靜止電流,并在整個負載范圍內保持高效率。TD8587還包括電流限制和過溫停機,以防止在輸出過載時的損壞。
TD8587有ESOP-8軟件包。
關鍵詞: 所屬欄目:集成塊資料
鋰電池、鉛酸電池供電的戶外藍牙音箱如何選擇合適的升
深圳市永阜康科技有限公司一直致力音頻領域芯片的推廣,總結市場應用痛點,現推薦一套升壓+功放IC搭配應用組合,涵蓋20-60W單雙聲道的應用。升壓芯片、功放芯片系列管腳兼容,實現同一PCB,不同功率要求無縫切換,避免重復開發工作,縮短項目周期。
關鍵詞: 所屬欄目:音頻功放電路
IU8689+IU5706 單聲道100W/立體聲60W同步升壓+功放IC大
深圳市永阜康科技有限公司推出基于IU8689+IU5706、單聲道100W/立體聲2x60W同步升壓+功放IC大功率拉桿音箱應用組合方案,升壓效率高達96%。在提供更大功率輸出的前提下,整套方案組合極具性價比。
關鍵詞: 所屬欄目:車載功放電路
ACM3108/ACM3128/ACM3129立體聲D類功放芯片系列動態調
深圳市永阜康科技有限公司現在大力推廣具備動態調整升壓CLASS H功能的D類功放芯片系列-ACM31XX系列,功率覆蓋單聲道10W-100W、雙聲道2*10W-2*50W,供電滿足1-5串鋰電池及鉛酸電池的應用,能夠保證足夠功率輸出及音質體驗的前提下,極大延長電池的續航時間。
關鍵詞: 所屬欄目:音頻功放電路
干電池升壓IC 3.3V的電源芯片PW5100
PW5100 的工作頻率高達 1.2MHz,其目的是為了能夠減小外部的電感尺寸和輸出電容容值,故 PW5100 只需要 1uH 以上的電感就可以保證正常工作,
但是輸出端如果需要輸出大電流負載(例如:輸出電流大于 200mA),為了提高工作效率,建議使用較大一點的電感。
同時輕載應用,輸出電流10M,50MA左右時,建議使用大的的電感如6.8UH。
關鍵詞: 所屬欄目:電子器材
PC1961同步升壓芯片直接替代PW5100
產品概述
PC1961系列產品是一款低功耗高效率、低紋波、工
作頻率高的 PFM 控制升壓 DC-DC 變換器。
PC1961 系列產品僅需要3個外部元器,即可完成低
輸入的電池電壓輸入。
用途
1-3 個千電池的電子設備數碼相機。電子詞典 LED手電簡、LED燈
血壓計、MP3、遙控玩具 無線耳機、無線鼠標鍵盤、醫療器械
防丟器、汽車防盜器、充電器 VCR、PDA 等手持電子設備
典型應用電路
.
,產品特點
最高效率:94% 最高工作頻率:300KHz 低
關鍵詞: 所屬欄目:集成塊資料
TP8312 滿足0.9V低電壓工作的一節兩節干電池升壓IC解決
深圳市永阜康科技有限公司針對1-2節干電池及鋰電池供電的移動設備應用需求,現在大力推廣一顆具備3uA超低靜態電流、最低啟動電壓0.65V低功耗同步升壓IC-TP8312。
關鍵詞: 所屬欄目:電源電路
HT7181 3.7V/7.4V升16V內置MOS大功率升壓IC解決方案
DC-DC升壓電路在電子電路中是很常見的,無論是匹配不同器件的工作電壓需要還是為了提高足夠的輸出功率,都必須用到升壓電路。特別是便攜式的電子產品,電源是電池供電,如單
關鍵詞: 所屬欄目:電源電路
共模電感與差模電感有什么區別,幾個方面介紹主要不同
在濾波器、開關電源等產品中,我們為了抗電磁干擾,經常會采用兩種元器件,那就是共模電感和差模電感,那兩者有哪些不同呢?
關鍵詞: 所屬欄目:元器件知識