觸摸感應屏幕為手持設備增添了許多功能。它們還可以節省(電池)壽命。盡管在過去幾年中設計低能耗系統取得了很大進展 - 電池能量密度更高,電子消耗更少,電源管理更精細 - 最常見的用戶投訴仍然是設備永遠不會持續足夠長的時間而不需要充電。
這些現代低功耗設備中的許多都使用觸摸傳感,這是一種廣為接受的技術,適用于現代和下一代設計。與它們連接的控制器曾經是笨拙,笨重,需要不斷校準。
新一代算法和方法改變了這一切。因此,現代設備的用戶可以期待清潔,可靠和良好實施的觸摸系統。
低功耗電子設備與觸摸系統的結合是下一個挑戰,在不影響功能的情況下減少能源使用。本文討論如何設計和實現低能量觸摸系統,以延長電池壽命和下一代設計的可用性。
透明與不透明
觸摸感應技術可分為兩大類:透明和不透明。我們在平板電腦和手機上熟悉的透明技術位于LCD屏幕之上,通常基于模擬電阻或電容觸摸技術。

圖1:銦錫氧化物等材料的變化阻力通過觸摸拉伸。
對于模擬電阻傳感器,由氧化銦錫等材料制成的導電層在受到壓力接觸時會改變電阻。通過測量每個軸的電壓,確定一個位置(見圖1)。由于彈性退化問題,大多數新設計使用電容技術。電阻式觸摸層取決于材料的彈性,并且隨著時間的推移,磨損會改變材料特性。
電容式傳感器類似地測量位置,但是通過使用相鄰的電極。可以感測放置在絕緣電極上的導電物體(如手指)的電容變化并用于確定位置。
不透明觸摸傳感器通常也是電容性的。按鈕可以像大型PCB墊一樣簡單,但對于滑塊和環,一系列銅表面用于通過這些元件之間的電容測量來檢測位置。
低成本,堅固且防水的設計可以利用不透明傳感器實現高級用戶界面,堅固,有彈性,耐用。即使是基于LCD的平板電腦和手機也可以利用不透明的傳感器來實現不會從顯示區域帶走的硬接線觸摸區。
低能耗架構
無論采用何種技術,系統都必須構建明智地使用能源管理計劃。只是將微控制器置于睡眠狀態不會削減它。喚醒系統可能需要觸摸事件。
通常,系統設計人員可以選擇是使用中斷還是輪詢來喚醒處于低能量睡眠模式的微控制器,但電容式觸摸系統并非如此。
使用電容式觸摸系統,感應電容通過保護涂層改變定時器或振蕩器的時間常數。因此,必須使用門控計數器來生成用于確定印刷機的閾值。由于您不想添加外部邏輯,因此必須在微控制器中完成,這意味著它通常不會完全處于睡眠狀態。
將此與小型手持設備通常空間受限的事實相結合,理想的解決方案是單個片上微控制器具有在芯片上進行感應和處理所需的所有硬件資源。
大多數觸摸感應設計需要一個穩定的電流源為感應電容充電,一個模擬多路復用器將相應的元件路由到ADC或模擬比較器,定時器或計數器,以及對電容器放電的能力。此外,處理器應具有良好的節能模式和功能,特別是如果它不僅僅是一個專用的觸摸屏控制器。《 br》換句話說,如果一個高效,低功耗的微控制器具有執行觸摸屏處理和設備主要功能的能力,它通常比設計雙處理器系統更好。全功能解決方案
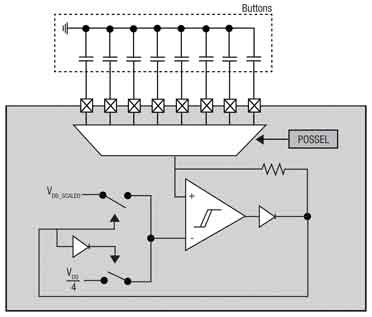
一家進軍觸摸控制器技術的公司是賽普拉斯半導體公司,該公司擁有可編程片上系統技術(PSoC)。 PSoC®系統是嵌入式混合信號器件系列,采用該公司的M8C核心處理器。這些哈佛架構控制器的運行速度高達24 MHz,性能達到4 MIPS。
豐富的數字和模擬資源(特別是模擬多路復用)使其成為低功耗觸摸屏控制的理想選擇(參見圖2)。該系列產品的亮度范圍為8 K至32 K,采用16引腳至48引腳封裝,最高可達2 K RAM。 1.8 V至5 V功率范圍還可以幫助最大限度地降低功耗并直接匹配電池電量。

圖2:PSoC模擬多路復用器和電流源在允許精確觸摸方面起著關鍵作用傳感應用。
性能水平也不錯。例如,CY8C20xx6A系列具有多達33個CapSense®I/O和6個帶本機I²C,SPI和USB的滑條。可以調整滑動傳感器靈敏度,并且可以實現插補分辨率,最高可達64 K的一部分。可以使用逐次逼近和Σ-Δ轉換技術。可以通過高達15毫米的玻璃覆蓋層感應接近,為脆弱的LCD提供更加堅固的保護。
功耗方面,采用這種技術的應用通常可以在1μA的睡眠電流下運行,在1-4 mA的電流下運行運行。通過該公司可免費下載的PSoC Designer™集成設計環境提供設計支持,具有圖形資源配置實用程序,以及內置調試器和ICE支持的免費C編譯器(和匯編器)。
功耗低,Scotty
對于某些要求苛刻的設計,需要更多的處理能力,同時減少能源消耗。這里有一個不同的思考過程。硬件和軟件模塊都采用了新的關系,因為解決方案的設計功耗很低。
Energy Micro的Gecko系列基于ARM®Cortex™-M3的處理器采用架構結構和資源,大大降低了運行功率下一代電池供電和手持設備。 EFM32系列有五個功能,可以降低功耗,而不僅僅是幾個低功耗模式。
Gecko真正脫穎而出的原因是核心如何在自主功能下進入休眠狀態仍然可以使用非常低的功率進行。獨特的Reflex Bus架構(參見圖3)允許建立基于狀態機的交互,因此可以在沒有微芯片喚醒的情況下進行整個事件序列的處理。
例如,在能量模式2中,LCD,實時時鐘,脈沖計數器,看門狗定時器,UART,I2C和模擬比較器都可以主動運行并監控外部世界,而核心和閃存處于靜態 - 關閉狀態(保留所有寄存器和設置值)。

圖3:EFM32微控制器中的外設反射系統可以在不涉及CPU的情況下直接將一個外設連接到另一個外設。該系統使外圍設備能夠產生其他外設可以消耗的信號,并在CPU休眠時立即做出反應。
在此模式下,系統消耗0.9μA并在2μs內喚醒至完全活動模式,消耗180 μA/兆赫。由于片上豐富的外設資源和低功耗有源處理,同樣的方法可用于實現功耗極低的電容式觸摸系統,其余功能足以成為系統處理器。
下一步向前邁進
除反射總線外,Energy Micro還實施了低能耗傳感器接口(LESENSE),可進一步降低能耗。通過將定時器功能移至能量模式2,該器件可以通過比較器執行門控計數器功能。
這使得內核可以保持睡眠狀態,而自由運行的RC張弛振蕩器可以為多達16個電容傳感器輸入提供數組(參見圖4)。用戶可調節的反饋電阻可以控制電容式傳感器的充電速率,以便在使用較慢的輪詢時進一步降低功率。

圖4:低 - 功率張弛振蕩器使用觸摸電容器元件作為其頻率的源。較低的頻率偏移表示電容元件(例如手指)靠近傳感器焊盤。容-源-電-子-網-為你提供技術支持
本文地址:http://www.zskn.com.cn/dz/22/15501943673155.shtml
本文標簽:
猜你感興趣:
高性能無源晶振選擇YSX211SL晶振 精準穩定的時鐘引領電
在電子領域中,無源晶振是電路系統中重要的時鐘源。針對緊湊的電路布局和高要求的性能,平板FPC 2016無源晶振 YSX211SL以其獨特的特點成為了許多應用場景中的首選。
關鍵詞: 所屬欄目:電子基礎
三種解決方案為LED照明散熱設計添磚加瓦
關鍵詞: 所屬欄目:led
導熱硅膠片是AI智能音響散熱設計的得力幫手
AI智能音箱在電路板上有很多電子元器件,如:主控芯片、內存等這些,它們之間產生的熱量是相當大的,處理解決熱量傳導問題是不可避免的,采取解決方案就是應用導熱硅膠片。在電路板屏蔽罩內部,內存、PMIC、處理器也會使用到導熱硅膠片來加強散熱性能。
關鍵詞: 所屬欄目:電源電路
高性能導熱硅膠片為高品質車載充電器散熱設計提供解決
車載充電器散熱應用的導熱硅膠片需滿足:導熱性能要好、柔軟、耐高溫、耐高低溫、高可靠性且安全環保。兆科電子嚴守品質關,以高標準來嚴格要求自己,在選擇車載充電器導熱界面材料方案也不例外。兆科導熱材料生產廠推薦一款TIF100-02S導熱硅膠片產品,導熱系數為1.5W/mK,耐溫范圍-40 To 160 ℃,可按客戶需求裁切所需尺寸與形狀,滿足高品質車載充電器散熱設計方案。
關鍵詞: 所屬欄目:車載功放電路
pcb制板用什么軟件最好,自學pcb設計必備軟件推薦
很多新手朋友都會問:pcb制板用什么軟件最好,PCB設計常用什么軟件呢?其實,當你打算要學習PCB電路設計之前,你就必須了解一下這行業里面一般使用的是什么軟件是在進行設計,從剛開始就要用最專業的軟件,當然這樣會增加難度,但是當你完全習慣這個軟件之后就會發現其他軟件的不足,下面說為新手朋友們介紹幾款常用設計軟件。希望對大家有幫助。
關鍵詞: 所屬欄目:pcb
微型投影機散熱設計方案應用導熱硅膠片材料
目前微型投影機,均采用LED光源,光源為高亮度RGB三色LED模塊,由于采用紅綠藍三種顏色的LED來形成彩色化,因此其光學架構與傳統投影機有所不同。有時因工作需要,亮度不斷提高,然而亮度越高,投影過程產生熱的就越大,散熱問題就越嚴峻,就越需要有效率的散熱設計。作為導熱材料生產廠家,兆科提供在微型投影機中的應用材料:導熱硅膠片。
關鍵詞: 所屬欄目:其他文章
開關電源散熱設計熱衷于導熱硅膠片的原因及應用方式
在對電源散熱設計時,散熱這一塊就成了電源設計中非常重要的一個環節。電源散熱設計中常用的幾種方法有:使用被動散熱,如:散熱器、冷卻風扇,金屬PCB,導熱材料(導熱硅膠片)等。
關鍵詞: 所屬欄目:開關電源電路圖
發現電子工程師不得不知的十大設計誡條
前不久,發現很早以前印制的冊子,在這些冊子上列出了電子工程師的十誡。現在,就一并翻譯分享給中國電子工程師。這份資料里充滿了智慧,除了幽默的言語外,還有很多非常有用的建議
關鍵詞: 所屬欄目:元器件知識
TL494芯片設計48V/3A開關電源電路圖
48V3A開關電源電路
TL494是一種固定頻率脈寬調制電路,它包含了開關電源控制所需的全部功能,廣泛應用于單端正激雙管式、半橋式、全橋式開關電源。TL494有SO-16和PDIP
關鍵詞:開關穩壓電源 所屬欄目:開關電源電路圖
可滿足各種測試環境要求的多路信號源的設計
1、 引言隨著測試設備的飛速發展,其性能狀況越來越受到人們的重視,經過一段時間要對測試設備進行檢測。主測試板作為測試設備上的重要部件,它的性能好壞起著重要作用。在
關鍵詞: 所屬欄目:設計編程
基于FPGA器件實現多頻鍵控調制電路的設計和仿真驗證研
數字信號傳輸系統分為基帶傳輸系統和頻帶傳輸系統.頻帶傳輸系統也叫數字調制系統。數字調制信號又稱為鍵控信號,數字調制過程中處理的是數字信號,而載波有振幅、頻率和相
關鍵詞: 所屬欄目:設計編程
分享高速PCB設計技巧
高速PCB設計技巧 高速PCB設計是指信號的完整性開始受到PCB物理特性(例如布局,封裝,互連以及層堆疊等)影響的任何設計。而且,當您開始設計電路板并遇到諸如延遲,串擾,
關鍵詞: 所屬欄目:pcb
ARM異常中斷的原因及處理措
當ARM異常中斷發生時,系統執行完當前指令后,將跳轉到相應的異常中斷處理程序處執行。當異常中斷處理程序執行完成后,程序返回到發生中斷指令的下條指令處執 行。在進入異
關鍵詞: 所屬欄目:其他文章
電路圖設計用什么軟件
電路圖設計用什么軟件:電路原理圖是研究項目規劃必需要的一個設計方案,使用物理電學規范化的符號來制作的一類表達各電子元器件構成的的及其器件關系的基本原理布置圖,設計方案技術人員,安裝技術人員,或維修人員就可以根據由電路原理圖就可以獲知零部件間的設計原理及其問題,為解析特性,安裝電子,電器產品提供最方便,最有效的規劃方案,在設計方案電路原理圖中,
關鍵詞: 所屬欄目:電子基礎
產品設計、emc設計注意及挑戰
電子系統需要實施隔離,它的作用是保護人員和設備不受高電壓的影響,或者僅僅是消除PCB上不需要的接地回路。在各種各樣的應用中,包括工廠和工業自動化、醫療設備、通信和消
關鍵詞: 所屬欄目:電磁兼容
10-20W中功率D類音頻功放IC應用設計時怎樣降低底噪聲?
如何降低這兩類音頻功放的輸出底噪聲,深圳市永阜康科技有限公司針對客戶在應用中的問題,總結以下方法可供參考:
關鍵詞: 所屬欄目:音頻功放電路
合并式單端A類電子管功放電路設計
如圖所示為合并式單端A類電子管功放電路圖,本電路輸出功率:8W×2輸出阻抗:4Ω、8Ω輸入靈敏度:l.4V失真系數:2%頻率響應:25Hz-20kHz-3dB。電源功耗:120W。 :
關鍵詞: 所屬欄目:音頻功放電路
集成功率放大器件或分立元件放大電路設計
圖1為一個由分立元件構成的直流化的互補對稱OCL電路。電路由差分放大級、電壓推動級和復合輸出級構成。本電路引入了直流負反饋電路,一般功放中由于存在反饋電容,限制了低頻響應,為了消除這種不利影響,只有增
關鍵詞: 所屬欄目:音頻功放電路
采用6N1中u雙三極管設計膽前級電路
6N1是一只中μ雙三極管,μ=35,它具有R低、動態線性寬、頻率特性好、噪聲低等諸多優點,能承受較強信號輸入,并能給出足夠的輸出,既可用于電壓放大,又能用于倒相推動,在20世紀六七十年代可謂名噪一時,是各
關鍵詞: 所屬欄目:音頻功放電路
制作6p3p單端甲類膽機的設計
一、線路簡介 SRPP電路(亦稱并聯調整式推挽電路)是一種深受推崇的電路。該電路具有失真小、噪聲低、頻響寬等特點,是目前電子管功放電路中常見的優秀線路之一。 電路如上圖所示。VT1、VT2直流通路串聯,
關鍵詞: 所屬欄目:音頻功放電路