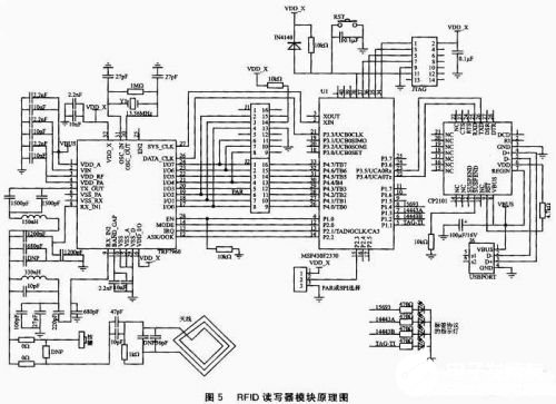
在讀寫器模塊設計時加入了USB轉UART的橋接器芯片CP2102。加入該芯片一方面可以通過USB的連接器與終端平臺互連,實現即插即用的功能;另一方面可以通過終端平臺上的USB主控制器提供5 V的電源,系統設計的讀寫器模塊正是采用這種方式供電的。RFID讀寫器模塊的原理圖如圖5所示。

3 、系統軟件設計
系統軟件設計主要實現嵌入式系統移植及防碰撞算法。當在讀寫器的天線區域中有多個射頻標簽時,同時到達的信號會產生信道爭用的問題。信號互相干擾,發生碰撞。防碰撞技術利用排隊論及抗噪聲技術來解決這個問題,通過RFID系統一次可以完成對多個射頻標簽的識別。防碰撞技術的優劣決定了RFID系統的性能。系統軟件總體架構包括:擴展層,提供RFID讀寫器的固件程序,支持多種數據采集模塊;設備層,提供RFID系統運行的硬件環境和提供多種物理接口;系統層,提供RFID系統運行的軟件環境;中間層,提供開發系統的基礎軟件框架和應用型RFID中間件;應用層,與業務相關的應用軟件。
3.1 防碰撞算法分析
在RFID系統中,評價防碰撞算法優劣的指標有防碰撞速度、準確率、信道利用率、穩定性、安全性和成本等。目前業界推崇的防碰撞方法主要有ALOHA算法(又稱應答器控制算法)和二進制樹形搜索算法(又稱讀寫器控制算法)。ALOHA防沖突算法由于延遲時間和檢測時間是隨機分布的,是一種不確定性算法,可分為非時隙、時隙以及自適應ALOHA防沖突算法。其中自適應ALOHA方法的信道利用率最高,它的優點是能顯著提高識別速率,缺點是復雜度明顯提高。它僅適用于只讀型電子標簽。二進制樹形搜索算法的優點是防沖突能力較強、數據結構和指令簡單,缺點是支持的存儲容量較小,不適合UID過長的電子標簽。這里利用二進制樹形搜索算法實現功能。
二進制搜索算法是利用逐步減少發生沖突的位的方法來完成對標簽的識別的。該算法的前提條件是讀寫器必須能夠準確地發現發生沖突的位。因此,在該算法中,標簽返回信號的編碼方式使用了Manchester編碼。在Manchester編碼方式中,每個信號位中間引入跳變來同時代表不同的數值和同步信息。一個負電平到正電平的跳變代表邏輯“0”,而一個正電平到負電平的跳變則代表邏輯“1”。在數據傳輸過程中,“沒有變化”的狀態是不允許的。因此,當一個讀寫器收到標簽的返回信號后,如果發現某些位信號的狀態沒有發生改變,那么讀寫器就能夠判斷這些位一定發生了沖突。Manchester編碼原理如圖6所示。

圖6中有兩個標簽同時處于讀寫器的讀寫范圍內。當讀寫器發送讀標簽命令時,兩個標簽都返回它們的識別碼給讀寫器。從圖中可以看出,標簽1識別碼的第5位和第2位的值分別是邏輯“0”和邏輯“1”,而標簽2的識別碼的第5位和第2位分別是邏輯“1”和邏輯“0”。所以,當讀寫器收到它們的返回信號時,這兩位的狀態不會改變,從而讀寫器知道這兩位發生了沖突,由此實現多標簽防碰撞。圖中的虛線表示標簽返回信號中發生沖突的位。
3.2 多協議模式分析
在上電后,首先對TRF7960進行初始化設置。為控制TRF7960實現讀/寫卡等操作,首先得明確TRF7960的讀寫時序。起始條件是CLK為高,然后發送8位地址,再在發送時鐘的下降沿進行數據發送。當CLK為低時,信號發送上升沿表示操作已經結束。在TRF7960內部有兩個主要配置寄存器:芯片狀態控制寄存器和ISO控制寄存器,00h和01h分別是它們的地址。芯片狀態寄存器可以控制電源模式、RF輸出開關等。ISO控制寄存器則負責ISO協議選擇,它通過設定參數protocol,選擇不同的協議工作方式。例如當protocol為0x01時,為ISO15693協議;當protocol為0x02時,為ISO14443A協議;當protocol為0x03時,為ISO14443B協議。根據指定協議進行相應的讀寫操作,在設定時間內,若有FIFO中斷或發送結束中斷產生,則采集數據并保存。這樣就實現了多協議、防碰撞多標簽RFID讀寫器系統。
容-源-電-子-網-為你提供技術支持本文地址:http://www.zskn.com.cn/dz/22/15791392013613.shtml
本文標簽:
猜你感興趣:
合并式單端A類電子管功放電路設計
如圖所示為合并式單端A類電子管功放電路圖,本電路輸出功率:8W×2輸出阻抗:4Ω、8Ω輸入靈敏度:l.4V失真系數:2%頻率響應:25Hz-20kHz-3dB。電源功耗:120W。 :
關鍵詞: 所屬欄目:音頻功放電路
集成功率放大器件或分立元件放大電路設計
圖1為一個由分立元件構成的直流化的互補對稱OCL電路。電路由差分放大級、電壓推動級和復合輸出級構成。本電路引入了直流負反饋電路,一般功放中由于存在反饋電容,限制了低頻響應,為了消除這種不利影響,只有增
關鍵詞: 所屬欄目:音頻功放電路
多媒體有源音箱電路設計
本音箱的高、寬、深分別為280mm×120mm×170mm(內部有效容積約3.4L)。板材為厚15mm的中密度板。左右聲道音箱前面板尺寸如圖所示。倒相孔設在箱體背面上方,長度為68mm,由于倒相管在音箱背面,所以擺放時音箱后
關鍵詞: 所屬欄目:音頻功放電路
HY-1應用電路設計
HY-1音樂集成電路內存一首樂曲。當觸發端受脈沖觸發后立即輸出音樂信號,樂曲程序結束時工作自行停止。當觸發端與觸發電平相連時,電路反復嗚奏,直到脫離觸發電平且正常演奏的樂曲程序結束后才自行停止。電路內
關鍵詞: 所屬欄目:音頻功放電路
NFC技術與RFID技術芯片實現雙向預付費系統的設計
有位客戶采用預付電費方案,回家后卻發現照明燈沒有亮。于是,她拿出手機并打開一個應用程序(app),向其電費賬戶中又額外增加了50美元額度。然后她將手機靠近電能監測顯示
關鍵詞: 所屬欄目:設計編程
音樂門鈴電路設計
CIC2851AE是目前應用較為普遍的單曲音樂IC,它采用塑料封裝單列直插式,共有9個輸出腳,缺角處為第1腳。晶體管BG在這里起音頻功效放大作用,BG最好采用集電極耗散功率大于300mW的硅NPN型三極管,如3DX201、3DG12、
關鍵詞: 所屬欄目:音頻功放電路
參數型中頻均衡器電路設計
均衡器是在電信設備中,用以校正因頻率不同而引起的衰減(即傳輸損耗)及相位差不同的網絡。能校正衰減與頻率關系的,稱為“衰減均衡器”;能校正相位差與頻率關系的稱為“相位均衡器”。在有線電視系統里經常需
關鍵詞: 所屬欄目:音頻功放電路
看門狗電路電路圖及工作原理
在工業控制中常使用MCS-51系列單片機,為了防止程序跑飛往往外接一個看門狗電路。看門狗電路可完成加電復位和死機復位兩種功能。成品的看門狗集成電路如MAX813L等價格一般都
關鍵詞: 所屬欄目:電路圖
提高PCB設計成功率三點技巧
PCB設計過程中,如果能提前預知可能的風險,提前進行規避,PCB設計成功率會大幅度提高。很多公司評估項目的時候會有一個PCB設計一板成功率的指標。提高一板成功率關鍵就在于
關鍵詞:電路設計 所屬欄目:pcb
AD811與BUF634P功放電路功率放大電路設計
本電路應用AD811與BUF634P結成功放電路;通過電路圖可以看到是正負15V供電,效果很好。功率放大器,簡稱“功放”。很多情況下主機的額定輸出功率不能勝任帶動整個音響系統的任務,這時就要在主機和播放設備之間加裝功率放大器來補充所需的功率缺口。。
關鍵詞:功放集成電路AV放大器電路音頻放大器電路圖 所屬欄目:音頻功放電路
具有300B音色的晶體管后級功放電路設計
一臺既吸收電子管的“樂感”優勢,又具有晶體管使用方便特點的晶體機,全機主角為Q1N-MOSFETIRFP140,由于是接成單級的增益放大,故為反相輸出,輸出端是喇叭的負端,而接地點才是正端。另外有一顆P-MOSFETQ2
關鍵詞:音頻放大器電路圖 所屬欄目:音頻功放電路
便攜式麥克風前置放大電路設計
如圖所示為便攜式麥克風前置放大電路電路圖,該電路是一個低噪音的基礎上,高增益兩個階段PNP和NPN晶體管放大器,利用通過R6的直流負反饋穩定的工作條件比較準確。 :
關鍵詞: 所屬欄目:音頻功放電路
繼電器驅動保護電路設計
在開始選擇繼電器驅動的時候,習慣性選擇現有的集成芯片,比如NUD3126和NUD3124,沒有仔細想過為什么要選用它們,是否可以選擇分立的三極管或者達林頓管。這里做一些分析
關鍵詞:過流保護電路過壓保護電路短路保護電路 所屬欄目:電子器材
LED白光照明模組驅動電路設計方案
LED白光照明模組驅動電路設計方案由于當前溫室效應和能源危機的影響,使得人們對節能技術越來越關注。LED照明具有節能、壽命長等優點,LED照明技術作為新型綠色照明技術,目
關鍵詞:LEDLED電路圖 所屬欄目:led
特斯拉的快充系統充電接口電路設計(圖文)
11月份,有個朋友問我這個電路這塊的內容,我這里一直沒怎么做,就電路設計部分來談談看這個是怎么來弄的。1)Model S/X特斯拉的快充系統是比較有趣的,它的主要特點是可以
關鍵詞:充電器電路圖電路設計 所屬欄目:其他文章
PCB印刷電路板設計高頻布線的技巧
(1)高頻電路往往集成度較高,布線密度大,采用多層板既是布線所必須的,也是降低干擾的有效手段。(2)高速電路器件管腳間的引線彎折越少越好。高頻電路布線的引線最好采
關鍵詞: 所屬欄目:pcb
電磁式流量傳感器工作原理及電路設計(圖文)
如圖是電磁式流量傳感器的工作電路原理圖。在勵磁線圈通以勵磁電壓后,絕緣導管便處于磁力線密度為B的均勻磁場中,當平均流速為v的導電性液體流經絕緣導管時,那么在導線內徑為D的管道壁
關鍵詞: 所屬欄目:傳感器技術
測溫系統基于DS18B20與AT89C51的設計(圖文)
溫度的測量和控制在激光器、光纖光柵的使用及其他的工農業生產和科學研究中應用廣泛。溫度檢測的傳統方法是使用諸如熱電偶、熱電阻、半導體PN結之類的模擬溫度傳感器。信號經取樣、放大
關鍵詞: 所屬欄目:傳感器技術
工程師必備的8個電路設計技巧
大多數時候,出現在教科書中的電路圖和設計與我們每天工作中完成的真實電路大相徑庭。電路設計并非易事,因為它需要對構成電路部分的每個元件都有充分了解,且實現“完
關鍵詞: 所屬欄目:設計編程
基于cd4046的倍頻電路設計
基于cd4046的倍頻電路設計
輸入信號 Ui從14腳輸入后,經放大器A1進行放大、整形后加到相位比較器Ⅰ、Ⅱ的輸入端,開關K撥至2腳,則比較器Ⅰ將從3腳輸入的比較信號Uo與輸入
關鍵詞: 所屬欄目:集成塊資料