自制無線遙控器電路圖,本電路主要用于電機控制
,如玩具車上面,或其他
對穩定性和可靠性不高的場合。
一、電機遙控路的工作原理
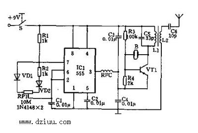
無線遙控器發射電路
如圖為遙控發射電路。555集成塊與R1、R2、RP1、VD1、VD2及C1組成一無穩態大范圍可變占空比振蕩器。圖示參數的振蕩頻率為50Hz左右,通過RP1阻值的調節,占空比的變化范圍可達到1%一99%,由③腳輸出50Hz方波信號。VT1及外圍元件構成晶體穩頻電容三點式振蕩器,石英晶體的諧振頻率選用27.145MHz。本電路采用石英晶體穩頻,
工作可靠。VT1振蕩產生的高頻載波經555電路③腳的方波信號調制,由天線發射出去。

無線遙控接器收電路
下圖為接收驅動電路。為簡化接收電路,由VT2
外圍元件構成超再生檢波器,檢出原方波調制信號。由C12、R7加至IC2的③腳進行放大,放大后的信號經VD3、VD4倍壓整流,由VT3射隨器輸出平滑的直流電壓。該電壓的大小與發送的不同占空比信號波形有關,占空比大,電壓高,經R11為VT4提供的偏置電流大,電機的轉速高;占空比小,電壓低,經R11為VT4提供的偏置電流小,電機轉速慢。當占空比足夠小時,VT3截止無輸出,VT4因失去偏置而不導通,電機M停轉。由此可得電機轉速與占空比成正比關系。
二、元器件的選擇
L1
10K型中周骨架,用Φ0.15高強度漆包線繞9匝,L2在L1的外層用同型號漆包線繞3匝,不用屏蔽罩,但需旋入磁芯。L3同L1制作。B用JAl2等金屬殼諧振器,頻率在27-29.8MHz
。VT1、VT2、VT3均用3DG130D型NPN三極管,β>100。VT4選用3DD15D型大功率管。RFC用18uH色碼電感。IC1的型號為NE555。IC2的型號為LM386。電容除標明的電解電容外均用CC1型高頻瓷介電容。電阻均用1/8w碳膜電阻器。

三、電路的調試
先調發射機載頻振蕩器,高頻扼流線圈RFC及晶振B暫不裝上,使C4對地短路。調節R3阻值,使VT1的集電極電流為12mA,然后裝上晶振B,
電流會增至15mA左右,否則應仔細調節L1的磁芯,
電路起振為止,去掉C4短路線。超再生檢波的調試方法是用800Ω的高阻耳機串聯一個10uF電容器跨接在VT2的發射極與集電極
,用無感起子細調電位器RP2及線圈L3的磁芯,
耳機中有明顯響亮的“沙沙”聲為止。下一步將發射機天線靠近接收機,接通通控開關S,微調發射機和接收機中線圈的磁芯,
耳機中能聽到清晰的工頻聲為止,然后拉開兩機距離,再進一步細調。其余電路無須調試,
裝好后
正常工作。本電路能用于對工作穩定性 不是很好的場合,電路
受外界信號的干擾,對于
場合要求是可以滿足。
本文地址:http://www.zskn.com.cn/dz/26/201081222602.shtml
本文標簽:
猜你感興趣:
由TX4915組成的遙控發射電路
無
自制無線遙控器電路圖
無