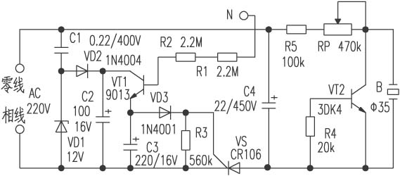
,主要由電源電路、觸摸延遲電路、可控硅開關電路及負阻振蕩器等四大部分組成。
,可控硅VS因無觸發電壓而處于關斷
,后續電路無電不工作。
C3儲存的電能可通過VD3繼續為VS提供正向門極電流,故VS不會立即關斷,電路依然報警。C3的電荷放完后,VS失去正向觸發電流,當交流電過零時即關斷。
電路的發聲器件是壓電陶瓷片,電路功耗很小,C4儲存的電荷仍能維持負阻振蕩器工作一段時間,
C4電荷放完,電路才停止報警。
再次觸碰電極片N,則電路又能立刻報警。由上面分析可知,電路存在兩級延遲,
不必使用大容量電容器就能獲得較長的延遲時間,本電路每觸碰一次N,報警時間約可維持3分鐘左右。負阻振蕩器
工作在高壓
,輸出波形峰峰值較高,
報警音量比較大,在制作觸摸式報警器時,可根據
。
普通9013型等硅NPN三極管,VT2最好用3DK4型等硅開關三極管。VS要采用觸發電流較小的單向可控硅,如2N6565、CR106型等。C1要求采用耐壓400V
的CBB型聚苯電容器,C4要求使用耐壓450V的電解電容器。觸摸電極片N與電路相連采用兩只高值電阻器R1與R2,其目的是
電路的安全可靠性。B采用∮35mm的壓電陶瓷片,為
其發聲音量應配置合適的共鳴腔,如能采用高響度的壓電陶瓷報警喇叭,效果更佳。
。
按圖
連接,如接錯了,電路則不能正常工作。若可控硅VS開通后,負阻振蕩器不能工作,只要適當
電位器RP的阻值,電路即能起振,并將報警聲響調至音量最大、音調最滿意為止。
做
細調工作,才能達到最佳效果,如有什么問題,請在本站查找
方案。容-源-電-子-網-為你提供技術支持
本文地址:http://www.zskn.com.cn/dz/26/9923181044.shtml
本文標簽:
猜你感興趣:
紅外線探測防盜報警器電路圖
紅外線探測防盜報警器電路圖該報警器能探測人體發出的紅外線,當人進入報警器的監視區域內,即可發出報警聲,適用于家庭、辦公室、倉庫、實驗室等比較重要場合防盜報警!
由熱敏電阻構成的火災報警電路原理圖(圖文)
熱敏電阻器是敏感元件的一類,按照溫度系數不同分為正溫度系數熱敏電阻器(PTC)和負溫度系數熱敏電阻器(NTC)。熱敏電阻器的典型特點是對溫度敏感,不同的溫度下表現出不同的電阻值。
簡易紅外感應報警器電路圖
由紅外線傳感器、信號放大電路、電壓比較器、延時電路和音響報警電路等組成。紅外線探測傳感器IC1探測到前方人體輻射出的紅外線信號時,由IC1的②腳輸出微弱的電信號,經三極管VT1等組成第一級放大電路放大,再通
(轉)如何讓煙霧報警器不會報警
無
離子煙霧報警器原理
無
光電煙霧報警器原理
無
消防氣體煙霧報警器原理
無
應用RS101A制作漏電報警自動控制插座電路
無
微功耗斷線式防盜報警器
無
簡易人體紅外線感應報警器電路圖
無
轉:自制非接觸式液位報警器(圖)
無
介紹多芯電纜斷線報警器電路
無
介紹人體紅外線探測報警器
無
LM324放大制作的人體熱釋電紅外報警開關
無
簡易紅外線防盜報警器
無
簡易電源欠壓過壓報警保護器
無
技巧:用舊手機制作的遠程遙控器和防盜報警器
無
介紹紅外線防盜報警器
無
介紹簡易漏電報警器電路
無
推薦:555雙音報警電路
無