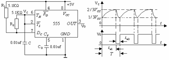
555集成時基電路稱為集成定時器,是一種數字、模擬混合型的中規模集成電路,其應用十分廣泛。該電路使用靈活、方便,只需外接少量的阻容元件就可以構成" />

容-源-電-子-網-為你提供技術支持
本文地址:http://www.zskn.com.cn/dz/21/15486806263122.shtml
本文標簽:
猜你感興趣:
路燈定時器怎么調時間?
關鍵詞: 所屬欄目:開關電源電路圖
發光字定時器怎么調?
關鍵詞: 所屬欄目:開關電源電路圖
220V遠程開關定時器怎么控制380V用電器?
220V遠程開關定時器想要控制380V用電器,不能直接接線,需要添加交流接觸器,用220V遠程開關定時器控制交流接觸器,交流接觸器控制380V用電器。遠程定時開關220V遠程定時開
關鍵詞: 所屬欄目:開關電源電路圖
遠程開關定時器怎么接線?
遠程開關定時器:4G網絡信號,遠程控制不限距離,無需下載APP,手機小程序實現遠距離對開關的控制,網絡自動校時,可設置自動定時開、關,也可以本地時鐘定時,設置好定時在
關鍵詞: 所屬欄目:開關電源電路圖
使用開關定時器有哪些注意事項?
關鍵詞: 所屬欄目:開關電源電路圖
微電腦時控開關定時器怎么設置定時時間?
關鍵詞: 所屬欄目:開關電源電路圖
PW1555應用電路-代理商
PW1555是一個可編程的限流開關,具有輸入電壓范圍選擇和輸出電壓鉗位。集成保護N溝FET的極低RDS(ON)有助于減少正常運行時的功率損耗。可編程軟啟動時間控制轉換率,在啟動
關鍵詞: 所屬欄目:元器件知識
使用555制作全自動電冰箱保護器電路
使用555制作全自動電冰箱保護器電路
當交流電網電壓超過正常值240V時,RP1取樣電壓增高,VD10擊穿,VT導通,其集電極輸出低電平,VD7導通,使IC的觸發端2腳處于低電平
關鍵詞: 所屬欄目:其他文章
NE555制作過壓過流保護電路及原理圖
NE555制作過壓過流保護電路及原理圖 當電源供給電壓或負載吸取的電流太大時,下圖電路可斷開負載給出故障指示。正常工作時,Tr1和Tr2均截至,555復位,555中的放電晶體管
關鍵詞:過壓保護電路過流保護電路 所屬欄目:電子基礎
藍牙定時器怎么連接交流接觸器?
藍牙定時開關控制總功率為660W,所以當控制總功率>660W的時候,需要添加交流接觸器,以免開關被燒壞。
關鍵詞:電機控制 所屬欄目:開關電源電路圖
555逆變驅動電路圖-最簡單12v轉220v逆變器制作
555逆變驅動電路圖-最簡單12v轉220v逆變器制作
關鍵詞: 所屬欄目:逆變器電路圖
ne555+13005逆變電路圖
ne555+13005逆變電路圖
逆變器電路圖有很多種,采用不同的控制方式可以得到不同的電路及輸出功率及頻率,本文介紹的是用13005逆變電路圖,13005主要作用是功率開關管,1
關鍵詞: 所屬欄目:電源電路
4060定時器制作
這是CMOS CD4060的電子計時器,它是CMOS 14級紋波傳送二進制計數器/分頻器和振蕩器。輸出QN是計數器的第n級,代表2 Ñ,例如Q4是2 4 = 16(1 / 16的時鐘頻率)和Q14是
關鍵詞: 所屬欄目:電子基礎
定時器電路
定時器是一個多任務定時提醒軟件,安裝于電腦上。它全面支持WINDOWS 9X/ME/NT/2K/XP按時執行程序、播放聲音、關機、待機、撥號、斷開連接、關閉顯示器等等操作。具有多種設定任務的方法。支持SKIN,可以隨意更換
關鍵詞: 所屬欄目:音頻功放電路
LM393與NE555組成電池充電器電路
LM393與NE555組成電池充電器電路具有成本效益的鎳鎘電池充電器LM393的構造如圖所示,它具有以下特點:(1)恒定電流充電散布著大電流di放電時,恒流充電電流約為300mA,放電
關鍵詞: 所屬欄目:電源電路
555集成電路引腳圖管腳圖
555集成定時器是模擬功能和數字邏輯功能相結合的一種雙極型中規模集成器件。外加電阻、電容可以組成性能穩定而精確的多諧振蕩器、單穩電路、施密特觸發器等,應用十分廣泛。555集成電路引腳圖管腳圖 :
關鍵詞: 所屬欄目:音頻功放電路
555制作汽車音響揚聲器保護電路原理圖
揚聲器保護電路如圖1所示。主要由中點電位檢測電路、延時電路及繼電器等組成。電路工作過程是: 在接通音響電源的瞬間,因電容C3兩端電壓不能突變,可視為短路,則時基電路555的②、⑥腳電位高于2/3 Vcc,故
關鍵詞: 所屬欄目:音頻功放電路
NE555與TDA1521共同組成的D類數字功放電路
NE555時基IC被接成振蕩頻率120KHz、占空比50%的方波振蕩器。由于IC都是工作于開關狀態,因而可以高效率地輸出大功率。音頻信號由5腳輸入時,3腳的輸出信號占空比就會隨著輸入音頻信號的幅值高低而作線性
關鍵詞: 所屬欄目:音頻功放電路
自制一款窗簾定時器裝置
此裝置的電路如附圖所示。 一、工作原理 1.當定時器1定時開啟,電機開啟、窗簾關閉、窗簾到頭,行程開關1常閉點斷開,而常開點關閉,下一組窗簾盒開始關閉,如此可
關鍵詞: 所屬欄目:電子制作
無所不能的555定時器到底有哪些應用(圖文)
555定時器是美國Signetics公司1972年研制的用于取代機械式定時器的中規模集成電路,因輸入端設計有三個5kΩ的電阻而得名。此電路后來竟風靡世界。目前,流行的產品主要
關鍵詞:555定時器 所屬欄目:集成塊資料